EasyManua.ls Logo

Teac CX-400 - Page 21

Teac CX-400
25 pages
Print Icon
To Next Page IconTo Next Page
To Next Page IconTo Next Page
To Previous Page IconTo Previous Page
To Previous Page IconTo Previous Page
Loading...
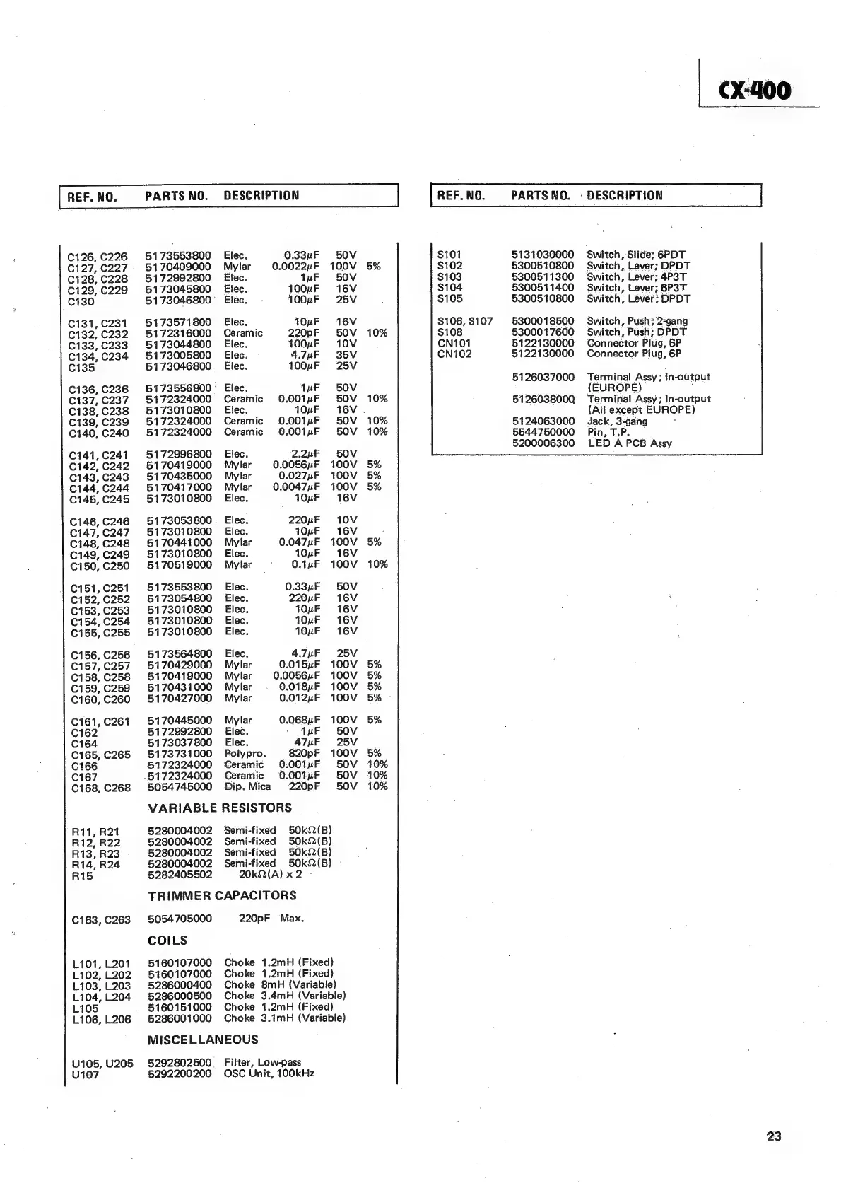
REF.
NO.
C126,
C226
C127,
C227
C128,
C228
C129,
C229
C130
C131,
C231
C132,
C232
C133,
C233
C134,
C234
C135
C136,
C236
C137,
C237
C138,
C238
C139,
C239
C140,
C240
C141,
C241
C142,
C242
C143,
C243
C144,
C244
C145,
C245
C146,
C246
C147,
C247
C148,
C248
C149,
C249
C150,
C250
|
C151,
C251
C152,
C252
C153,
C253
C154,
C254
C155,
C255
C156,
C256
C157,
C257
C158,
C258
C159,
C259
C160,
C260
C161,
C261
C162
C164
C165,
C265
C166
C167
C168,
C268
R11,
R21
R12,
R22
R13,
R23
|
R14,
R24
R15
C163,
C263
L101,
L201
L102,
L202
L103,
L203
L104,
L204
L105
L106,
L206
U105,
U205
U107
PARTS
NO.
DESCRIPTION
5173553800
Elec.
0.33uF
50V
5170409000
Mylar
0.0022uF
100V
5172992800
Elec.
1pF
6
650V
5173045800
Elec.
100zF
16V
5173046800
_
Elec.
100uF
25V
5173571800
Elec.
10uF
16V
5172316000
Ceramic
220pF
50V
5173044800
_
Elec.
100nF
10V
5173005800
Elec.
4.7uF
35V
5173046800
Elec.
100uF
25V
5173556800
_
Elec.
WF
50V
5172324000
Ceramic
0.001uF
50V
5173010800
Elec.
10uF
16V.
5172324000
Ceramic
0.001nF
50V
5172324000
Ceramic
0.001uF
50V
5172996800
Elec.
2.2uF
50V
5170419000
Mylar
0.0056uF
100V
5170435000
Mylar
0.027uF
100V
5170417000
Mylar
0.0047uF
100V
5173010800
Elec.
10uF
16V
5173053800
_
Elec.
220uF
10V
5173010800
Elec.
10uF
16V
5170441000
Mylar
0.047uF
100V
5173010800
Elec.
10uF
16V
5170519000
Mylar
O.1nF
100V
5173553800
Elec.
0.33uF
50V
5173054800
Elec.
220uF
16V
5173010800
Elec.
10uF
16V
5173010800
Elec.
10uF
16V
5173010800
Elec.
10uF
16V
5173564800
Elec.
4.7uF
25V
5170429000
Mylar
0.015uF
100V
5170419000
Mylar
0.0056uF
100V
5170431000
Mylar
0.018uF
100V
5170427000
Mylar
0.012uF
100V
5170445000
Mylar
0.068uF
100V
5172992800
Elec.
1uF
50V
5173037800
Elec.
47uF
25V
5173731000
Polypro.
820pF
100V
5172324000
Ceramic
0.001uF
50V
.§172324000
Ceramic
0.001uF
50V
5054745000
Dip.Mica
220pF
50V
VARIABLE
RESISTORS
5280004002
Semi-fixed
50k2(B)
5280004002
Semi-fixed
50k2(B)
5280004002
Semi-fixed
50k2(B)
5280004002
Semi-fixed
50k2(B)
-
5282405502
20kQ(A)
x2
-
TRIMMER
CAPACITORS
5054705000
COILS
5160107000
5160107000
5286000400
5286000500
5160151000
5286001000
MISCELLANEOUS
5292802500
_
Filter,
Low-pa
Choke
220pF
Max.
iss
5292200200
OSC
Unit,
100kHz
Choke
1.2mH
(Fixed)
1.2mH
(Fixed)
Choke
8mH
(Variable)
Choke
3.4mH
(Variable)
Choke
1.2mH
(Fixed)
Choke
3.1mH
(Variable)
5%
10%
10%
10%
10%
5%
5%
5%
5%
10%
5%
5%
5%
-
5%
5%
10%
10%
10%
REF.
NO.
PARTS
NO.
$101
5131030000
$102
5300510800
$103
5300511300
$104
5300511400
$105
5300510800
$106,
$107
$108
CN101
CN102
5300018500
5300017600
5122130000
5122130000
5126037000
5126038000
5124063000
5544750000
5200006300
-
DESCRIPTION
Switch,
Slide;
6PDT
Switch,
Lever;
DPDT
Switch,
Lever;
4P3T
Switch,
Lever;
6P3T
Switch,
Lever:
DPDT
Switch,
Push;
2-gang
Switch,
Push;
DPDT
Connector
Plug,
6P
Connector
Plug,
6P
Terminal
Assy;
In-output
(EUROPE)
Terminal
Assy;
In-output
(All
except
EUROPE)
Jack,
3-gang
Pin,
T.P.
LED
A
PCB
Assy
23

Related product manuals