EasyManua.ls Logo

Teac Esoteric R-9000 - Exploded View 6 (V-9000) - Continued; Included Accessories (V-9000); V-9000 Included Accessories

Teac Esoteric R-9000
58 pages
Print Icon
To Next Page IconTo Next Page
To Next Page IconTo Next Page
To Previous Page IconTo Previous Page
To Previous Page IconTo Previous Page
Loading...
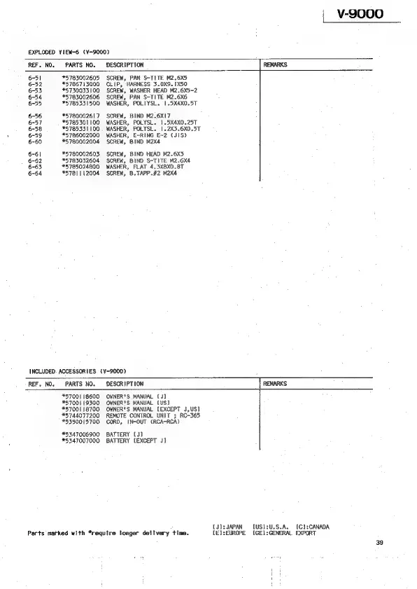
EXPLODED
VIEW-6
(¥-9000)
9000
REF.
NO,
PARTS
NO.
DESCRIPTION
REMARKS
6-51
*5783002605
SCREW,
PAN
S-TITE
M2.6X5
6-52
*5786713000
CLIP,
HARNESS
3.0X9.1X50
6-53
*5730033100
SCREW,
WASHER
HEAD
M2.6X5-2
6-54
*5783002606
SCREW,
PAN
S-TITE
M2.6X6
6-55
5785331500
WASHER,
POLIYSL.
|.5X4X0.5T
6-56
*5780002617
SCREW,
BIND
M2.6X17
6-57
*5785301100
WASHER,
POLYSL.
1.5X4X0.25T
6-58
*5785331100
.
WASHER,
POLYSL.
1.2X3.6X0.5T
6-59
*5786002000
WASHER,
E-RING
E-2
(JIS)
6-60
*5780002004
SCREW,
BIND M2X4
6-61
*5780002603
SCREW,
BINO HEAD
M2.6X3
6-62
*5783032604
SCREW,
BIND
S-TITE
M2.6X4
6-63
*5785024800
WASHER,
FLAT
4,5X8X0.8T
6-64
*5781112004
SCREW,
B,TAPP.#2
M2X4
INCLUDED.
ACCESSORIES
(¥-9000)
REF.
NO,
PARTS
NO.
DESCRIPTION
REMARKS
*5700118600
OWNER'S
MANUAL
(JJ
*5700119300
OWNER'S
MANUAL
(US]
*5700118700
OWNER'S
MANUAL
[EXCEPT
J,US1
*5744077200
REMOTE
CONTROL
UNIT
;
RC~365
*5350015700
CORD,
IN-OUT
(RCA-RCA)
*5347006900
BATTERY
[J]
*5347007000
BATTERY
[EXCEPT
J}
Parts
marked
with
*require
longer
delivery
time.
[J]:JAPAN
[US}:U.S.A.
[C1:CANADA
TE]:EUROPE
[GE1]:GENERAL
EXPORT
39

Related product manuals