EasyManua.ls Logo

Teac V-870 - Playback Performance

Teac V-870
34 pages
Print Icon
To Next Page IconTo Next Page
To Next Page IconTo Next Page
To Previous Page IconTo Previous Page
To Previous Page IconTo Previous Page
Loading...
tapes
;
For
Dotby
level
cafibration
For
playback
frequency
response
check
for
NORMAL
For
playback
frequency
response
check
for
HETAL
and
Crde
For
S/N
check
for
NORMAL
ADJUST
(or
CHECK)
Ee
brgitsiag
Check
Azimuth
screws
of
R»P
head
Be
HAY
EO
PIUVARBAY
(Fig.
5-4)
Ri2
/
R22
R13
/
R23
MEASURING
POINT,
RESULT
WET
+
ABA
OUTPUT
¢L/R}
Phase
:
Within
45°
fg
45°
LAA
OUTPUT
{L/R}
:
Phase
between
L-ch
and
R-ch
=:
Maximumx
output
at
L
&
R-ch's.
L-R
BIORBEA
TC
Boe
ch
hieAWA
REHARKS
fi
4
OUTPUT
{L/R}
dB
(
436
mV
)
PEAK
LEVEL
meter
(L/R)
0
dB
(RED)
lit
008
GR)
RAT
Rit
/
R21
OUTPUT
(L/R)
Nealy
equal,
and
10
kHz
318
Hz
&
10
KHZ
OLN
IEEE
<
GOED
RB
Standerd
#8
output
level
‘at
351
Hz
>
Fig.
§-8
Check
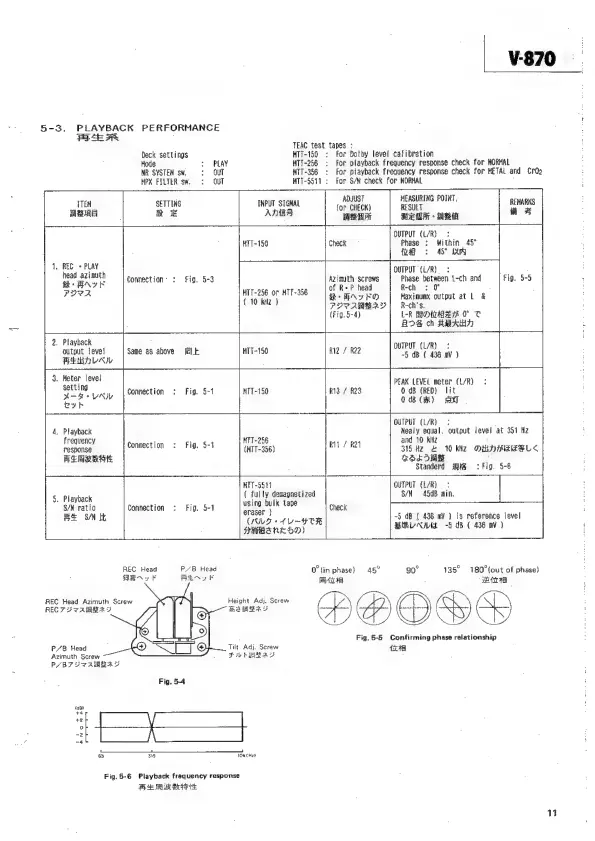
5-3.
PLAYBACK
PERFORMANCE
F3-4E
FR
TEAC
test
Deck
settings
HTT-150
Hode
PLAY
HIT-256
NR
SYSTEM
sw.
OUT
HIT-356
MPX
FILTER
sw.
OUT
MTT-5511
ITE
SETTING
INPUT
SIGNAL
BIR
mE
AEA
MTT-159
1,
REC
+
PLAY
head
azimuth
a
eee
&+
BAYER
Connect
ion
Fig.
5-3
PIUVA
HTT-256
or
MIT~356
{
10
ktlz
)
;
.
Playback
;
output
level
Same
as
above
fal
HTT-150
BERAVAIY
.
Meter
level
setting
:
a
;
L-
4
VAY
Connection
Fig.
5-1
MTT~150
eyb
.
Playback
frequency
ta
Re
MTT-256
response
Connect
lon
Fig.
5-1
{HTT-356)
Fe
aE
MIT-5517
;
fully
demagnetize
.
Playback
(i
8/N
ratio
Connect
ion
Fig.
5-1
petra
tape
Be
S/N
it
(AULT
+
Ht
CH
SHANK
GO)
REC
Head
P/8B
Head
BEN»
KF
BtkAv
F
REC
Head
Azimuth
Screw
Height
Adj.
Screw
REC
TU
V
AMERY
Bde
P/B
Head
Tilt
Adj.
Screw
Azimuth
Screw
FI
b
Rae
P/BT
VV
AWAY
Fig.
5-4
(aby
+4
+2
°
-2
-4
63
9
IGwCHzb
Fig,
5-6
Playback
frequency
response
Fa
AR
IE
O°tin
phase}
45°
age
=I
POOR
OUTPUT
(L/R)
S/N
450B
min.
-5
dB
(
436
)
is
reference
level
BMV
AILI£
5
dB
(
436
mv
)
180°
(out
of
phase}
“Wa
90°
135°
Fig.
5-5
Confirming
phase
relationship
act
11

Related product manuals