EasyManua.ls Logo

Teac V-870 - Parts List for Exploded View-1

Teac V-870
34 pages
Print Icon
To Next Page IconTo Next Page
To Next Page IconTo Next Page
To Previous Page IconTo Previous Page
To Previous Page IconTo Previous Page
Loading...
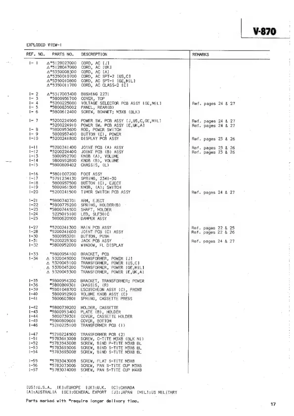
EXPLODED
V{EW-1
REF.
NO.
PARTS
NO.
A*5
|
28027000
A*5
[28047000
A*5350008
300
4*535001
0700
4*5350010800
A*535001
|
700
DESCREPT
ION
CORD,
AC
[J]
CORD,
AC
[UK]
CORD,
AC
[A]
CORD,
AC
SPT=2
[US,C]
CORD,
AC
SPT-I
[GE,MIL}
CORD,
AC
CLASS-2
[E]
I-
2
A*53{7003400
BUSHING
2271
i-
3
*5800956700
COVER,
TOP
i-
4
*5200225000
VOLTAGE
SELECTOR
PCB
ASSY
IGE,MIL]
I-
5
*5800835002
PANEL,
REAR(B)
I-
6
*5800612400
SCREW,
BONNET;
M3X8
(BLK)
\-
7
¥5200224900
POWER
SW.
PCB
ASSY
[J,US,C,GE,MIL]
¥5200224910
POWER
SW.
PCB
ASSY
[E,UK,A)
1-
8
*5800953600
ROD,
POWER
SWITCH
I-
9
5800957400
BUTTON
(E),
POWER
I-10
*5200241800
DISPLAY
PCB
ASSY
I-1!
*9200241400
JOINT
PCB
(A)
ASSY
f-|2
#5200224400
JOINT
PCB
{(B)
ASSY
I-13
5800952700
KNOB
(A),
VOLUME
baa
5800952800
KNOB
(B),
VOLUME
t-15
*5800809402
CHASSIS,
{L)
I-16
*5801007200
FOOT
ASSY
|-17
*5791234130
SPRING,
2341-30
I-18
5800957500
BUTTON
(C),
EJECT
[-19
5800961500
KNOB,
(A);
SWITCH
|-20
*5
200241500
TIMER
SWITCH
PCB
ASSY
1-21
*5800740701
ARM,
EJECT
|~22
*5800775200
SPRING,
HOLDER(B)
1-23
*5800744500
SHAFT,
HOLDER
1-24
5225015100
LED,
SLF30IC
1-25
5800620500
DAMPER
ASSY
|-27
*5200241300
MAIN
PCB
ASSY
1-28
*5200241600
JOINT
PCB
(C)
ASSY
1-30
58009535201
BUTTON,
PUSH
|-3]
*5200225300
JACK
PCB
ASSY
1-32
*5800952000
WINDOW,
FL
DISPLAY
1-33
-
*3800954400
BRACKET,
PCB
{~34
A
5320045000
TRANSFORMER,
POWER
[J}
&
5320045100
TRANSFORMER,
POWER
[US,C]
.
&
5320045200
TRANSFORMER,
POWER
[GE,MIL]
&
5320045300
TRANSFORMER,
POWER
[E,UK,Al
[-35
*5800954200
BRACKET,
TRANSFORMER;
POWER
[+36
*580080930}
CHASSIS,
(R)
1-39
*5801048700
ESCUTCHEON
ASSY
(C),
FRONT
|~40
5800952900
VOLUME
KNOB
ASSY
(C)
1-4]
5800603801
SPRING,
CASSETTE
PRESS
|-42
*5800739202
HOLDER,
CASSETTE
p43
*5800953400
PLATE
(B),
HOLDER
)-44
5800759301
COVER,
CASSETTE
HOLDER
1-45
*5800809601
COVER,
BOTTOM
1-46
*5210225100
TRANSFORMER
PCB
(1)
\-47
*5210224500
TRANSFORMER
PCB
(2)
[-5|
*5783613008
SCREW,
C-TITE
M3X8
(BLK
NI)
[+52
*5783543008
SCREW,
BIND
P-TITE
M3X8
BL
[-53
¥*5783693006
SCREW,
BIND
S-TITE
M3X6
BL.
|-54
*5783693008
SCREW,
BIND
S-TITE
M3X8
BL
|-55
*5783043008
SCREW,
FLAT
S-TITE
M3xX8
t-56
¥5783073006
SCREW,
PAN
S-TITE
CUP
M3X6
|-57
*5
783074008
SCREW,
PAN
S-TITE
CUP
M4x8
[USi:U.S.A.
[TE}sEUROPE
[UK1:U.K.
{C]:CANADA
[AIt:AUSTRALIA
LGEI:GENERAL
EXPORT
[JI:JAPAN
[MIL}:US
MILITARY
Parts
marked
with
*require
longer
delivery
time.
Ref.
Ref.
Ref.
Ref.
Ref,
Ref.
Ref.
Ref.
Ref.
Ref,
pages
pages
pages
pages
pages
pages
pages
pages
pages
pages
24
24
24
23
23
23
24
22
22
24
&
27
27
27
26
26
26
27
25
26
27
17

Related product manuals