EasyManua.ls Logo

Teac V-870 - Page 33

Teac V-870
34 pages
Print Icon
To Next Page IconTo Next Page
To Next Page IconTo Next Page
To Previous Page IconTo Previous Page
To Previous Page IconTo Previous Page
Loading...
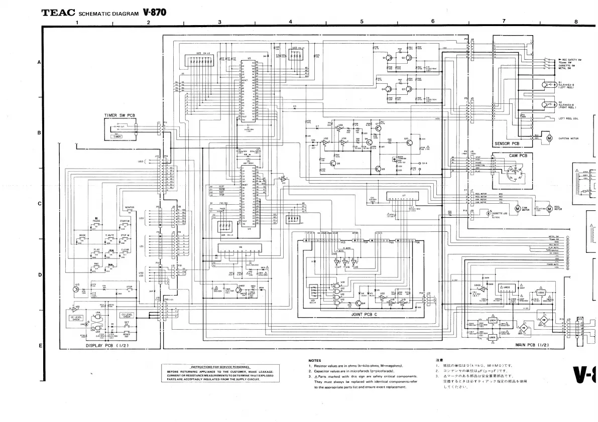
TEAC
scuematic
piacram
V¥-870
1
2
er
P4
~+
+
!
2
U22
10K
x4
pee
ee
+5v
3
4
4
U23_10k
x8
7
4
R25
R2
$R3
to
Qi
6
10k
Fi0K
REC
SAFETY
SW
I
7Ousec
SW
CASSETTE
SW
BS
330
Brox
"6.022
/50V
METAL
SW
B2
CCE)
26
Bi
yy
L
0.
+.
4
Be
Rg?
BS,
iso
36_|
36
it,
Ql
ag
[46
TT
|
NULSIGIEA-B
sg
_{
56
q.
CLEFT
REEL)
6s
[
66
if
|
4+
04
Qs
a
Ly
il
9
mt
R65
ER66
res
Lcie
P5
t
+
330
33%
270%
0,022/50V.
e
ime
(CE)
2
Se
ora
2
NULSI41EA-8
Ve
t
i
ae
3
(RIGHT
REEL
)
b
4
4
[2
ie
+
5
TIMER
SW
PCB
6
eae
-
L
tov
z
LEFT
REEL
COIL
Pll
bey
Rat
)
Re
R36
R38
QT
S47
out
bi?
22k
U33
47k
4.3k
Pt
a
N
sa
MA
AN
q
R35 R37
B
100
10k
p20
IE
{
Dis
RaD
7
u32
U34
R35
sah
Raa
alo
pea
CAPSTAN
MOTOR
r
bts
IN
~
iN
:
c
22k
100
|
bi
be
qe
co
tR39
Woe!
Rae
2
%
—_
-
C4
cS
027
lo/ley
|
10/iev
¥
5.1%
68
01W)
220p/50V
220p/50V:
PE
wig}
[Pio
iat
ran
R32
+
{
(REO!
hay
PENSION
Be
:
f
o
Rar
@
veoi(
Z
z
T
%
.
a
ee
:
R
KBR
=
80H
08
t-——O
1P.4
5
=
mS
4
DIRECTION
4
83
i
42
p22
x
ex
R48
a9
RS2
5
GND
5827
¢
24
co
voo
jt
3.9K
023
ar
0
6
$8!
Boy
e3}
“2
t-
hs
BO
f
4
2
B2
39
a
8
36
Shea
si
Pe
12
£
2
46
wT
sop?
‘it
'
.
z
RESET
AB.
36
00
PLAY
bo
A2
35
D1
PAUSE
8151
a
134
P?
02
FAST
10)
33
ree
2
=
STOP
n
be
bed
32
a
:
REEL
MOTOR
2)
60
nf
2a
ieau
09
8765
4321
3
13,
€t
10)
30
(BP)
Cc
€2
FWO
REC
M4]
eo
3}
22
H3
A.
MONTOR
8)
e3
He}
28
He
cH
REEL
FO
PAUSE
6
2
HI
0.01/50V
0.047/50V
MoT!
t
oo
FO
HI
OR
FL
HXPRO
Tl
ey
no
f26
HO.
(CE)
R53
PIS
te
Fe
is]
a2
G3
A\rx0
680
CASSETTE
LED
"
F3
19]
3
62428
G2
1ociwy
SLF3OIC
PAUSE
START.M
z
Test
cI
*
a
1
ves
co
s2
=
A
D
U4
———$—$—$—$———
LS
A
Eat
1)
2)
3)
4
HO}
HE
H3)
Al)
A2)
BO}
BI
afsei(c
MODE
U24
10k
x4
METAL
SW
Nee
O
e
oO
Le
TOpsec
SW
pao.
P23
P28
P25
P26
BIAS
REC
MUTE
us
R.MUT!
PLAY
MUTE
J
2
3
4
$s
6
7
6.9
10
P.
MUTE
TAPE
/SOURCE
C)
1
TAPE
H
-
CD
CHECK
@
a3
~7v
-_
=
Zz
Z|
T
aT
GND
3
F3
ce
po
Ta
Va
Sa
+TY
(0)
F2
0.01
/50V
ICE}
POWER
MUTE
@)
oOo
veful7
yuis
“Luis
+5V
®
R27
R26
Aa?
C823
D
22kF
2.2k
uw)
sfaraoraey:
|
ev
I
+
14
Qis
2
T
sta
Ul
4
t
Qso2
RgOz
a
a
A
AW
1a
aos
rAd
eno
8
ule
i
4
uso
Gao?
A
R73
330/25V
}
0.01/50V
cBo4
5
10
031
54321
3
1
een)
re
ee
magss
Sgt
=
ule
oz
Kors
|
uzo
|
BE
SNR
plat
sia
uso
H
Ky
T
Bov
4
rH
(33v)
/62vi]
Pc
n
'
;
A
ee
;
1o
cao9.
cB
1
v2t
2
_
E
wy
UIs
cli
Uig
7
:
10716¥ 10716¥
6.00)
Parouresv
roviev
|
22007280
10k
x4
1
Q14
KN
Ny
Dok
{CED
E
RYSig
SRT3O
R29
4 4
USS
22k
Siok}
7
tok
IN
pe
c
033
aa
|
|
+
10V
=
co
LeveL
JOINT
PCB
C
3,
1p
CD
LEVEL
2
CHECK
-
-
-
4
N
“4
CHECK
ary
3
!
+646.
=
PIs}
ls
PI34
:
3s
=
+
us04
T
Fi
i
p48
S
Sid
eee
BoE
soy
Py
cea
AN
A
3
a;
(CE)
2200/16V
D804
4
1
3
J
oa
cel
2
7,
Sov
SBtrsov
hh
ERE,
8738
qe
it
+
>|
v80s
F
+
E
DISPLAY
PCB
(1/2)
7
MAIN
PCB
(1/2)
L
J
2
a
~
_—
eS
eee
ee
re
=
-
a
a
NOTES
=
INSTRUCTIONS
FOR
SERVICE
PERSONNEL
1.
Resistor
values
are
in
ohms
(k=kilo-ohms,
M=megohms).
|.
GRIND
Bid
Q(k
=kQ,
M=MQ)TH.
%
BEFORE
RETURNING
APPLIANCE
TO
THE
CUSTOMER,
MAKE
LEAKAGE-
2.
Capacitor
values
are
in
microfarads
(p=picofarads).
AY
FVyN
Bild
uF
(p=pF)tyT.
CURRENT.
OR
RESIST
ANCE
MEASUREMENTS
TO
DETERMINE:THAT.EXPLOSED
3.
AParts
marked
with
this
sign
are
safety
critical
components.
AVY
-7MhhHPRRARS
EERE,
)
PARTS
ARE
ACCEPTABLY
INSULATED
FROM
THE
SUPPLY
CIRCUIT.
we
re
ie
et
MIT
SE
SIWTF
1+
Pv
IwEORA
SER
Let
A
ISSELS,
They
must
always
be
replaced
with
identical
components-refer
to
the
appropriate
parts
list
and
ensure
exact
replacement.

Related product manuals