EasyManua.ls Logo

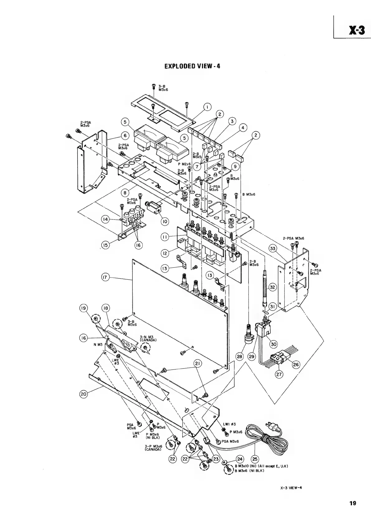
Teac X-3 - EXPLODED VIEW - 4

Teac X-3
26 pages
Print Icon
To Next Page IconTo Next Page
To Next Page IconTo Next Page
To Previous Page IconTo Previous Page
To Previous Page IconTo Previous Page
Loading...
X3
EXPLODED
VIEW
-4
M3x10
(Ni)
(All
except
E,
U.K)
B
M3x6
(Ni
BLK)
2)
we
w
WN,
@)
79
8
\Y,
P
M3x
P
M3x6
(Ni
BLK)
3-P
(CAN
(CANADA)
3-N
M3
M3x6
LWE
03
X-3
VIEW-4
19

Other manuals for Teac X-3

Related product manuals