EasyManua.ls Logo

Technibel iSeries - Refrigerant Circuit

Technibel iSeries
45 pages
Print Icon
To Next Page IconTo Next Page
To Next Page IconTo Next Page
To Previous Page IconTo Previous Page
To Previous Page IconTo Previous Page
Loading...
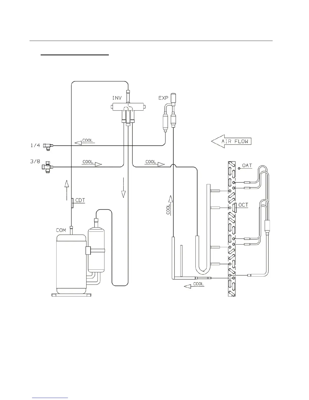
4 Refrigerant circuit
Note:
- In heating mode the refrigerant flow is in the opposite direction of the COOL arrows
- INV: 4-way valve
- EXP: Electronic Expansion Valve
- COM: Compressor
GR9FI30LTR5IAA

Related product manuals