EasyManua.ls Logo

Technibel iSeries - Electrical Wiring Diagram

Technibel iSeries
45 pages
Print Icon
To Next Page IconTo Next Page
To Next Page IconTo Next Page
To Previous Page IconTo Previous Page
To Previous Page IconTo Previous Page
Loading...
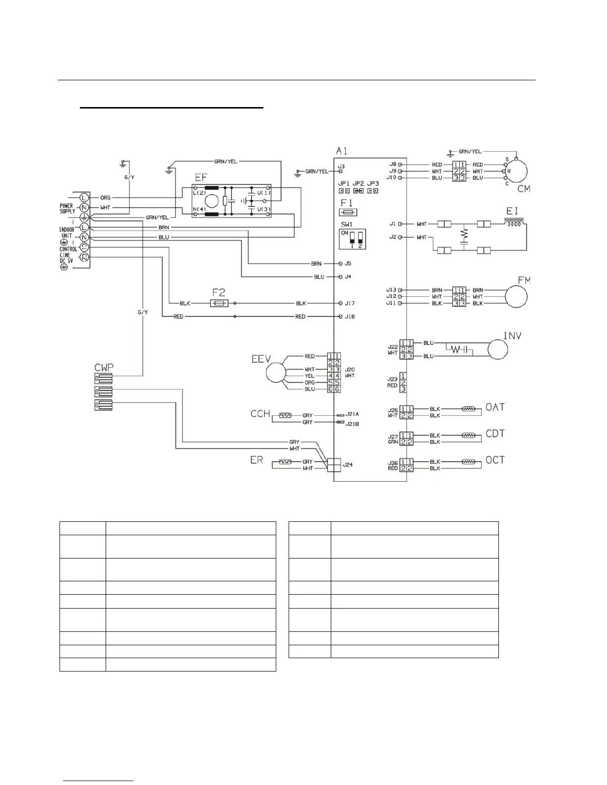
5 Electrical wiring diagram
Legend
A1 Control pcb OAT Outdoor Air Sensor
F1 Main fuse
6,3x32 - 10A / 250V
CDT Compressor Discharge Sensor
F2 Comm. Fuse, RS485 bus cable
5x20 - 100mA / 250V
OCT Outdoor Coil Sensor
SW1 Dip-switch EEV Electronic Expansion Valve
JP1/2/3 Jumpers CCH Crankcase Heater
EF Electromagnetic Interference
Filter
ER Drip tray heater
CM Compressor CWP Condensate water pipe heater
FM Fan motor EI PFC Inductor
INV 4-way valve

Related product manuals