EasyManua.ls Logo

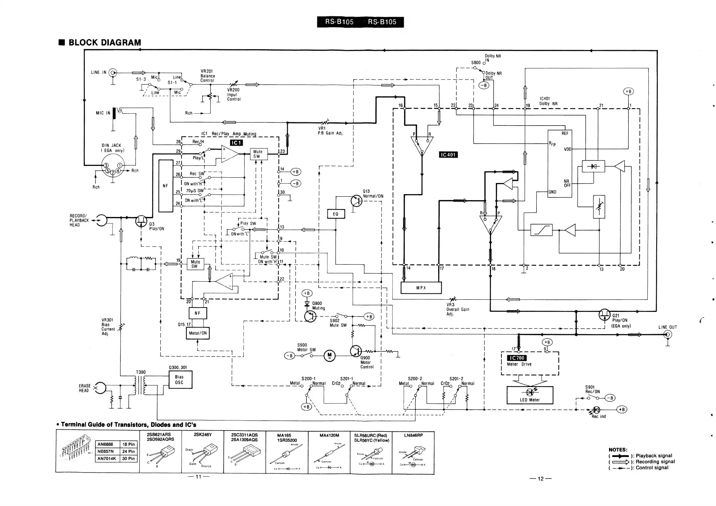
Technics RS-B105 - Block Diagram

Technics RS-B105
21 pages
Print Icon
To Next Page IconTo Next Page
To Next Page IconTo Next Page
To Previous Page IconTo Previous Page
To Previous Page IconTo Previous Page
Loading...
RS-B105
RS-B105
@
BLOCK
DIAGRAM
Dolby
NR
5800
oN
VR201
cae
LINE
IN
°
Balance
|
poy
NR
Control
ee
SoS
SSeS
VR200
|
|
CB
.
7
Eine
MG
Input
|
| |
'
a.
Control
|
|
|
10401
16
15
22
23
Dolby
NR
|
tol
ee
iw
ee
em
i
i
MIC
IN
|
|
c=
y
|
vR1
|
|
P.B.Gain
Adj
|
I
P
R
|
ss
DIN
JACK
|
|
(EGA
only)
|
y
1C
401
|
@
ieee
|
(554)
Rch
XQ
|
|
Reh
|
|
|
|
013
Normal/ON
|
Os
=
4
l
|
gS
|
|
RECORD/
|
:
(EO.
1
|
el
PLAYBACK
<>
tis
|
1
|
i
|
ff
Op
.
HEAD
a3
|
|
prow.
ir.
ties
|
|
Play/ON
|
|
|
——
O
|
|
y
O
eel
ONwith'L’
|
|
ate
1
Ig
|
cul
|
t
a
pee
etree
Ee
ead
|
4
|
|
7
tL
lo
|
]
1
|
|
i!
me
a
|
|
LL
_
_|_
_ON
with"Hatt
|
I
coe
ne,
Sean
Mey
Oe
er
Liege
tera
aed
|
fia
17
t
|
1
1oly
|
|
|
see
cee
ee
eg
7
|
Eeooe
roe
pe
Core
ee
i
“4
!
<
a
MPX
|
me
eee
ee
om
ee
ee
ee
ee
oe
a
|
|
|
of
|
«
| |
7
0800
|
VR3
|
Mutin
;
|
|
g
|
|
Overall
Gain
"
|
ul
oe
i
|
Adj.
"Tr
a)
021
:
vR301
4
rT
Bese
Ney
|
Play/ON
(
Bias
15.17
|
,
2
pe
SOMO
eee
aera
eae
ee
Sasa
aaeee
_—»——}
(EGA
ony)
LINE_OUT
Adj.
|
Metal/ON
|
i
ais
©)
!
!
5900
:
|
GB)
Be
ohh,
Motor
SW
Sele
a
od
De
cede
ie
te
at
be.
|
5
|
|
|
m=
saa
|
0900
4
1C700
|
Motor
|
|
Meter
Drive
0300,
301
|
Control
|
|
|
7300
|
|
|
[ess
ie
ae
|
$200-1
.
$201-1
|
|
102
|
ERASE
\——9—8
1/%&—
fT
ff
Cs
be
He
fe)
*<
$901
HEAD
|
Rec/ON
l
LED
Meter
+0
~0o—C8)
f>
a
1-2
_@®
SSSR
Ses
Rec
ind
2SB621ARS
28C3311AQS
MA165
MA4120M
SLRS56URC
(Red)
.
2SD592AQRS
2SA1309AQS
1SR35200
pa
SLR56YC
(Yellow)
y.
ESD
NOTES:
=
BSP)
sty
SD
wos
i?
:
F
raN7ov4K
[30 Pin
OP
|
LA
ae
an
(
=p
):
Playback
signal
fee
Cathode
cemone
(
==>
):
Recording
signal
cao—}g-—0
A
Cao—fg-—
a
(
—-»
—):
Control
signal

Related product manuals