EasyManua.ls Logo

Technics RS-BX606 - Block Diagram; Internal FL Connection

Technics RS-BX606
31 pages
Print Icon
To Next Page IconTo Next Page
To Next Page IconTo Next Page
To Previous Page IconTo Previous Page
To Previous Page IconTo Previous Page
Loading...
Mi
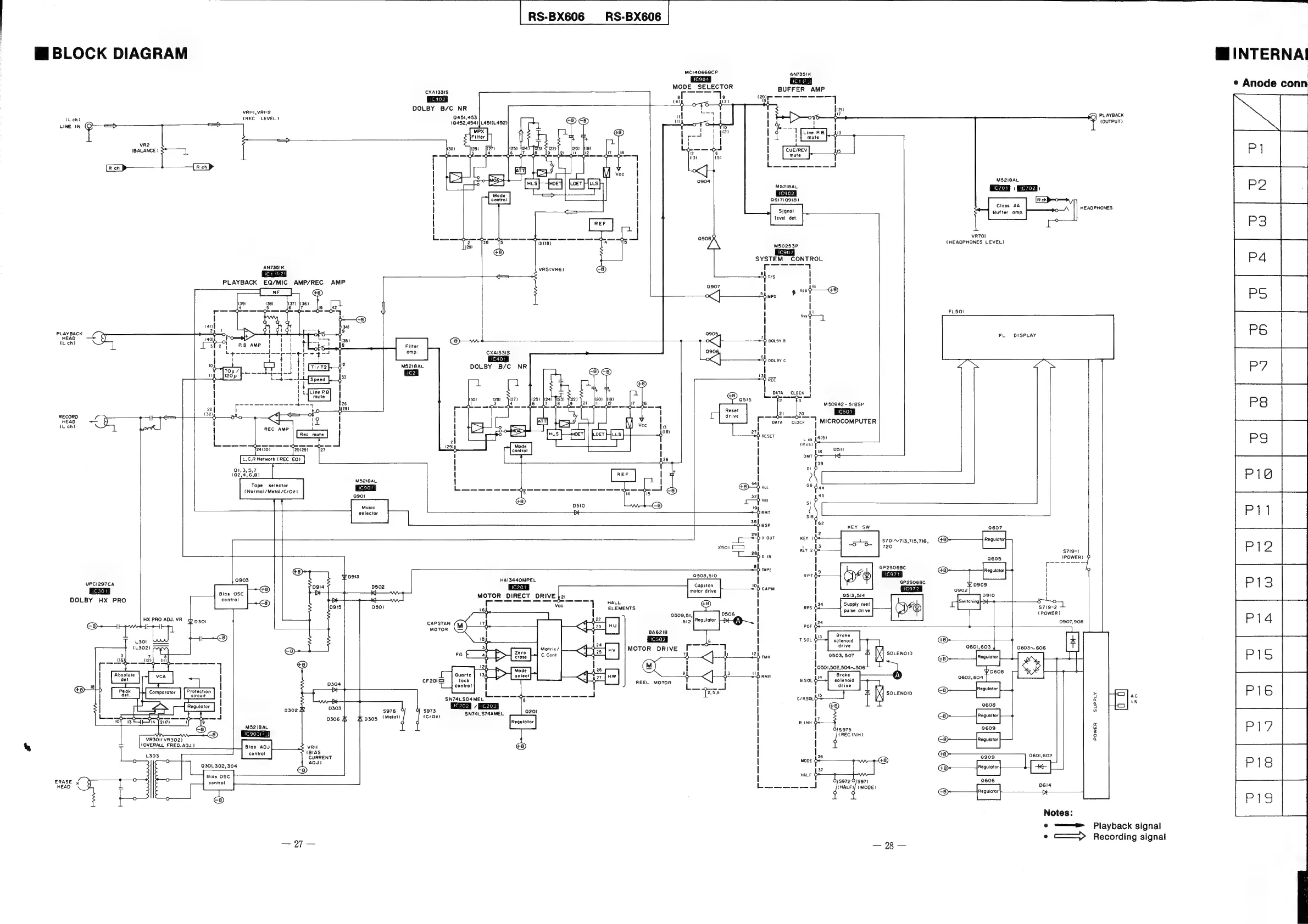
BLOCK
DIAGRAM
VRI-1,
VRI-2
(Leh)
LINE
IN
=>
=>
VR2
(BALANCE
)
AN7351K
PLAYBACK
EQ/MIC
AMP/REC
AMP
PLAYBACK
HEAD
—>
(uch)
RECORD
+H
HEAD
(L
ch)
Tape
(REC
LEVEL)
selector
(Normal/Metal/CrO2)
CXAI33IS
DOLBY
B/C
NR
RS-BX606
RS-BX606
MC14066BCP
MODE
SELECTOR
0451,453
Filter
omp.
MS218AL
MS216AL
Q901
Music
selector
UPCI297CA
DOLBY
HX
PRO
HX
PRO
ADJ.
VR
VR30I(VR302)
(OVERALL
FREQ.
ADv.)
Q903
M5218
AL
0302
A
vRit
ERASE
HEAD
5976
0306
K
0308
‘Metal
AN7351K
BUFFER
AMP
©)
PLAYBACK
(OUTPUT)
Lowe
M5218AL
5
!
M5218AL
1C701
Je
1C702
ff
!
a
a
|
091710918)
[Renp—o—
2
|
Class.
BA
HEADPHONES
|
Buffer
amp.
|
-———
a
|
vR70l
13
(18)
5
50253P
(HEADPHONES
LEVEL)
SYSTEM
CONTROL
VRS(VR6)
a
4
<==
“brs
|
0907
|
A
gone
@
O<
|.
4
mex
|
=
|
|
\
\
FLSOI
chs
9905
|
H
FL
DISPLAY
+
DOLBY
B
CXAI33IS
a901
] |
SS
povey
|
DOLBY
B/C
NR
|
|
Le)
een
[Ft
|
|
oara_croce
|
‘s
3
21
20
‘i
DATA
CLOCK
7
MICROCOMPUTER
hos}
ae
@
RESET
Fie
tech
if
(Reh)
OMT
|
Gt
bee
Soe
eat
leo
OA}
vec
Be
=
32
ran
he
$1
19)
RMT
$18
35
aa
607
29
beg
Ker
s70I~713,715,716,
8)
xs01
CJ
val
ear
120
S7I9-1
“Cx
'N
0605
(POWER)
4
_
I,
GP2soeBc
r
HAI3440MPEL
508,510
|
retd
®
|
ic971
|
GP2S068C
;
|
Scapm
faz
|
MOTOR
DIRECT
DRIVE
42:
I
me
ce
ee
ee
ee
dae
Be
1
ELEMENTS
S719-2
0509,5i|,
(POWER)
CAPSTAN
sl2
|
0907,
908
MOTOR,
BA6218
I
H
rsou$
MOTOR
DRIvE
[-
7
|
nee
601,603
us
FMR
X
a
Quartz
RMR
cr2015
lock
REEL
MOTOR
L
|
aso.d
ps
sn7acsoame,
=
———
———————
wil
x
ac
$973
/
|
¢8)
0608
a
a
(cro)
SN74LS74AMEL
|
|
|
R.INH
©
«
0/S975
0609
g
!
|
(REC
INH)
ro)
|
°
|
36
0601,602
|
MODE
©
HALF
0/8972
9/5971
Q606
bo
ed
(HALF)/
(MODE)
pers
@
Bt
Notes:
e
=
Playback
signal
‘5
«
==>
Recording
signal
INTERNA
e
>
5
°
r-%
c)
2
°
3 5
wl
no]
=
U
U
U
N
Wn
£
TU
m8)
U
U U U
U
U
20)
©
NJ
‘op
cn
aN
WO
N
=
OQ
4
(O

Related product manuals