EasyManua.ls Logo

Technics SA-EH770 - Page 53

Technics SA-EH770
72 pages
Print Icon
To Next Page IconTo Next Page
To Next Page IconTo Next Page
To Previous Page IconTo Previous Page
To Previous Page IconTo Previous Page
Loading...
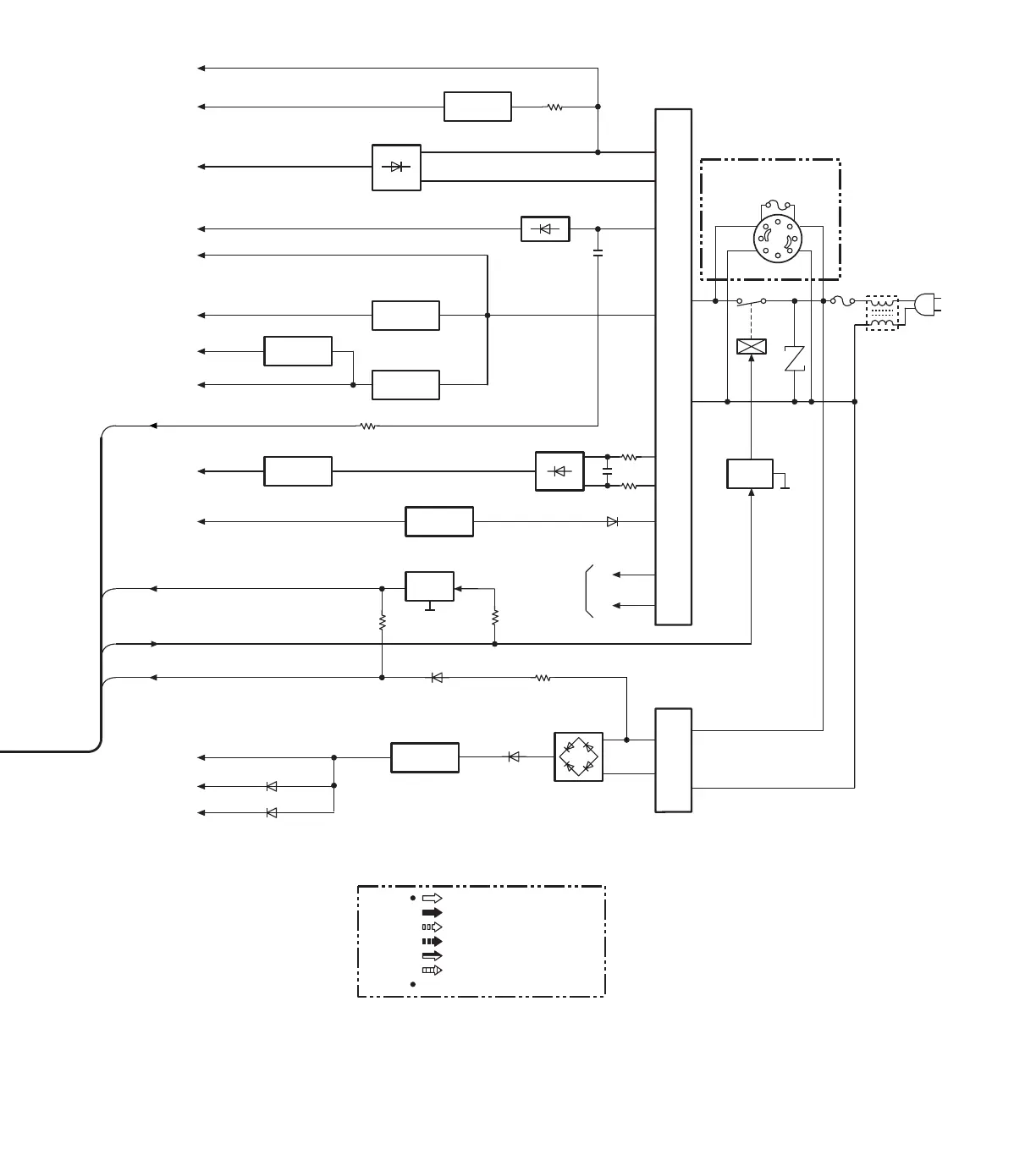
POWER TRANSFORMER
T701
D702,704,
752,754,755
Q707
+B4
-B3
Q702,705
POWER
TRANSFORMER
T702
D741~744
-B1
-B2
Q703,704 (For [GC] area.)
Q710 (For [GN] area.)
+B7
D701,703,
751,753,761
Q701
+B1
Q723
+B2
Q711,725
D717~720
+B6
D705
-VP
FL1
FL2
FL DISPLAY
(FL901)
Q708,709
+B3
AC IN
SHSYNC
POWER
+B6
+B8
+B9
D902
D901
SASYNC
D746
REGULATOR
/STABILIZER
REGULATOR
REGULATOR
REGULATOR
SWITCH-
ING
REGULATOR
REGULATOR
D740
REGULATOR
/STABILIZER
AC IN
L701
Z701
RLY702
Q791
F1
S701
(VOLT ADJ)
F2
RELAY
DRIVE
For [GC] area.
Q726,
Q727 (For [GC] area.)
NOTES :
: FM SIGNAL LINE
: AM SIGNAL LINE
: FM OSC SIGNAL LINE
: AM OSC SIGNAL LINE
: AUDIO SIGNAL LINE
: MIC SIGNAL LINE
( ) indicates pin No. Right channel.

Related product manuals