EasyManua.ls Logo

Technics SE-A50 - Page 13

Technics SE-A50
15 pages
Print Icon
To Next Page IconTo Next Page
To Next Page IconTo Next Page
To Previous Page IconTo Previous Page
To Previous Page IconTo Previous Page
Loading...
103
16
102
—21-
17
18
19
102
m@
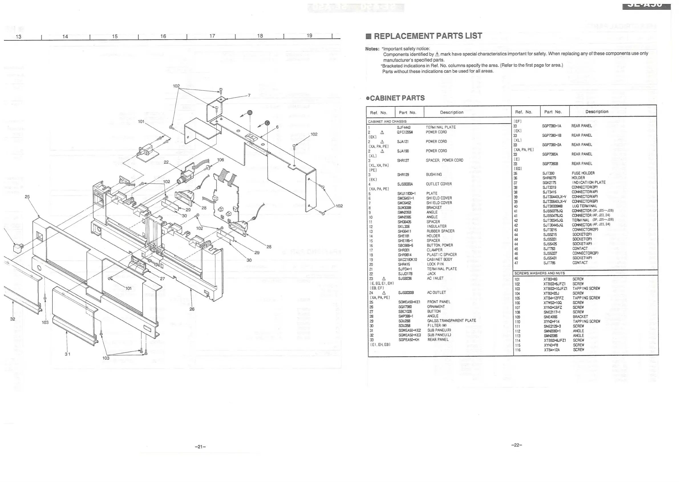
REPLACEMENT
PARTS
LIST
Notes:
*Important
safety
notice:
Components
identified
by
A\
mark
have
special
characteristics
important
for
safety.
When
replacing
any
of
these
components
use
only
manufacturer's
specified
parts.
*Bracketed
indications
in
Ref.
No.
columns
specify
the
area.
(Refer
to
the
first
page
for
area.)
Parts
without
these
indications
can
be
used
for
all
areas.
eCABINET
PARTS
0
1
SJF4443
TERMINAL
PLATE
B
SGPT380-1A
REAR
PANEL
QFC1205M
POWER
CORD
(EK)
8
SGP7380-1B
REAR
PANEL
2
aA
SJA121
POWER
CORD
(XL)
K<}
SGP7380-2A
REAR
PANEL
(XA,
PA.
PE)
A
SJA190
POWER
CORD
8
SGP7380A
REAR
PANEL
SHR127
SPACER,
POWER
CORD
(E)
<<]
SGP73808
REAR
PANEL
(EG)
;
SHR129
BUSHING
35
SJT390
FUSE
HOLDER
&
SHR6079
HOLDER
SUSS330A
OUTLET
COVER
Ri
SGK2175
INDICATION
PLATE
3)
SJTBII
CONNECTOR(3P)
SKU11830-1
PLATE
K)
SJT3415
CONNECTOR(4P)
SMC6451-1
SHIELD
COVER
Ks)
SJT3O440LX-V
CONNECTOR(4P)
SMC6452
SHIELD
COVER
3
SJT30640LX-V
CONNECTOR(6P)
Suwe0sg
BRACKET
40
SJTSOS3OMB
LUG
TERMINAL
SMN2053
ANGLE
4l
SJSSOS7BJQ.
CONNECTOR
(3P,
J25~J28)
10
SMN2085
ANGLE
41
SJS50478JQ.
CONNECTOR
(4P,
J23,
24)
"
SHGS405
SPACER
42
SJTSO45SQ
TERMINAL
(8P,
J25~J28)
12
SKL306
INSULATER
42
SJT30445JQ
CONNECTOR
(4P,
J23,
24)
13
SHG6411
RUBBER
SPACER
43
SJT3215
CONNECTOR(2P)
14
SHE181
HOLDER
44
SJS8215
SOCKET(2P)
15
SHE18-1
SPACER
44
SJS5331
SOCKET(3P)
16
SBCEEE-5
BUTTON,
POWER
44
SJS5425
SOCKET(4P)
17
SHR301
CLAMPER
45
SJTT83
CONTACT
18
SHR9814
PLASTIC
SPACER
46
SJS5337
CONNECTOR(3P)
19
SKC2180K10
CABINET
BODY
46
SJS5431
SOCKET(4P)
2
SHR415
LOCK
PIN
47
SJT785S
CONTACT
21
SJFD4-1
TERMINAL
PLATE
2
SJJD17B
JACK
23
A
SJS9236
AC
INLET
SCREWS.WASHERS
AND
NUTS
101
XTB3+8G
SCREW
co
eon
1,
EH)
102
XTBS3+@JFZ1
SCREW
,
108
XTBS3+10JFZ1
TAPPING
SCREW
24
aA
SJSS330B
AC
OUTLET
104
XTB3+20J
SCREW
(XA,
PA,
PE}
105
XTB4*12FFZ
TAPPING
SCREW
3
SGWEASO-KE1
FRONT
PANEL
106
XTWS3+100.
SCREW
2
SGX7S80
ORNAMENT
107
XYNS4HCEFZ
SCREW
27
S$BC1026
BUTTON
108
SNE2117-1
SCREW
2
SMPS88-1
ANGLE
109
SNE4065
BRACKET
a
SDU268
GALSS.
TRANSPARENT
PLATE
110
XYNBHF
14
TAPPING
SCREW
3
SDUS8
FILTER
(W)
WW
SNE2129-3
SCREW
31
SGWEASO-KE2
SUB
PANEL(R)
112
SMN2060-1
ANGLE
2
SGWEASO-KE3
SUB
PANEL(L)
113
SMN2086
ANGLE
K<)
SGPEASO-KH
REAR
PANEL
114
XTBS3+8JFZ1
SCREW
(E1,
EH,
EB)
115
XYNG+F8
SCREW
SCREW
—22—

Related product manuals