EasyManua.ls Logo

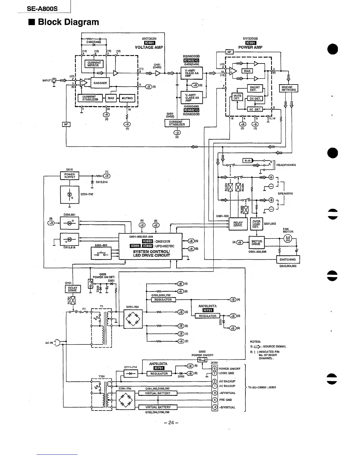
Technics SE-A800S - System Block Diagram

Technics SE-A800S
32 pages
Print Icon
To Next Page IconTo Next Page
To Next Page IconTo Next Page
To Previous Page IconTo Previous Page
To Previous Page IconTo Previous Page
Loading...

Other manuals for Technics SE-A800S

Related product manuals