EasyManua.ls Logo

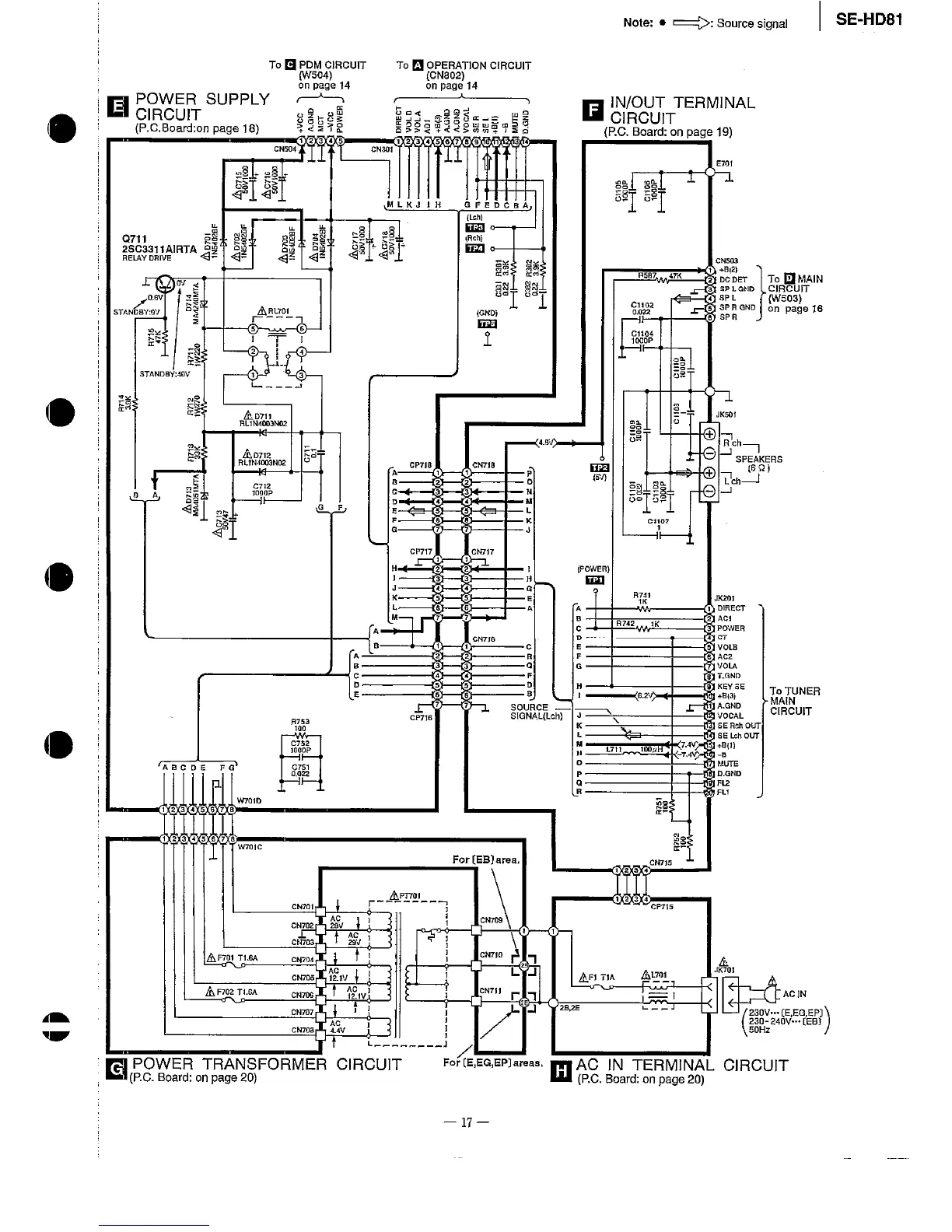
Technics SE-HD81 - Power Supply Circuit; Input;Output Terminal Circuit; Power Transformer Circuit; AC In Terminal Circuit

Technics SE-HD81
32 pages
Print Icon
To Next Page IconTo Next Page
To Next Page IconTo Next Page
To Previous Page IconTo Previous Page
To Previous Page IconTo Previous Page
Loading...

Related product manuals