EasyManua.ls Logo

Technics SH-DV250 - Page 38

Technics SH-DV250
40 pages
Print Icon
To Next Page IconTo Next Page
To Next Page IconTo Next Page
To Previous Page IconTo Previous Page
To Previous Page IconTo Previous Page
Loading...
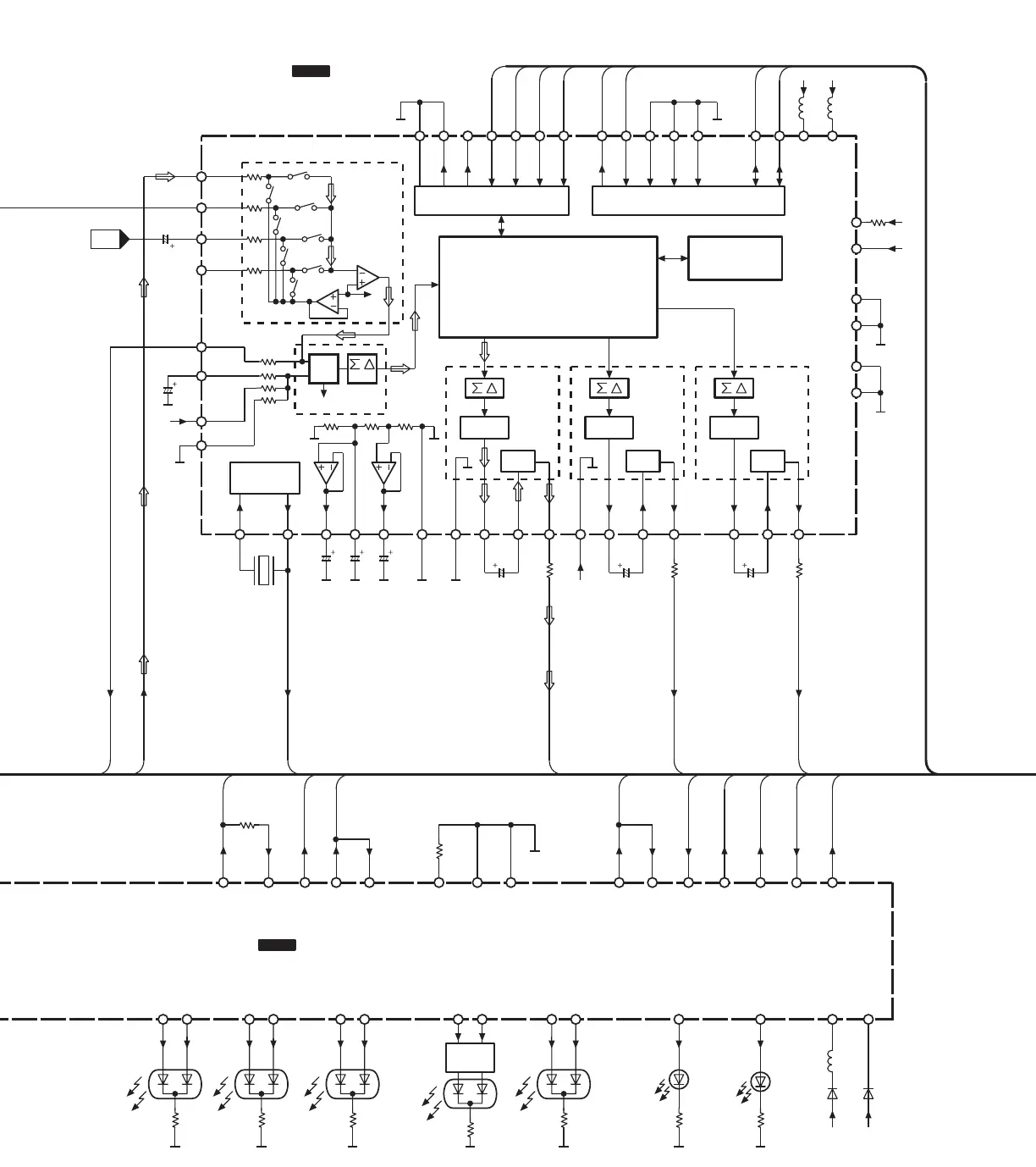
C2BBGF000251
IC601
SYSTEM CONTROL / FL DRIVE
DSP ACK
9
DSP CS
DSP CS
DSP RST
DSP RST
811
DSP ACK
+B5
D601
24
VCC
LED SPO
39
D613
(SEAT POSITION)
40
LED SPG
LED MRO
LED MRG
43 44
D615
(VIRTUAL
REAR
SURROUND)
45 46
LED VRO
LED VRG
D616
(CENTER
FOCUS)
27 28
LED CFO
LED CFG
D617
(SUPER
SOUND
EQ)
38
LED DPL
D612
(DOLBY
PRO LOGIC)
37
LED SSS
D611
(SUPER
SURROUND)
SA CS/REQ
33
SA REQ
SA CLK
34
SA CK
SA DATA
35
SA DO
36
SA DI
21
VSS
97
AVSS
98
+B5
D602
VREF
7
SA CS
DIN1
I2CS
C2HBZC000010
IC801
DIGITAL SIGNAL
PROCESSOR
MICU I/F
54 53 46
IFDI
IFCK
DIN0
34
XI
XO
X801
(36.8MHz)
VDD
+B2
59
GND
55
IFDO
CS1
58 57
/ERR
CK
DO
45 43
DIN2
41
EBCI/O
48
DOUT
GNDX
5
X
10
DSP SNS
DSP SNS
12
DSP CK
DSP CK
DSPDIO
13
DSP DO
14
DSP DI
41 42
LED 3DO
LED 3DG
D614
(MULTI REAR
SURROUND)
DELAY RAM
AUDIO SERIAL INTERFACE
SW1
SW2
CNVSS
17
LED
DRIVE
Q605,606
ADC
OP
AMP
VRAL
CD L
OSC
VRAL
DSP
(I/O INTERFACE)
DAC
AT T
9
(15)
8
(17)
11
(14)
7
(18)
[CH1/2]
DAC
ATT
26 25 2728
[CH3]
DAC
ATT
32 33 30
[CH4]
20 21 23 24
75
(80)
76
(79)
74
77
(78)
65
(69)
66
(70)
67
(71)
68
(72)
LIN4
(RIN4)
LIN3
(RIN3)
LIN2
(RIN2)
LIN1
(RIN1)
OUTL
(OUTR)
VRAL
(VRAR)
VDAL
(VDAR)
GNDAL
VRO1
VR1
VRO2
GNDA3
GNDA1
(GNDA2)
AO1
(AO2)
AI1
(AI2)
AOT1
(AOT2)
VDA34
AO3
AI3
AOT3
AO4
AI4
AOT4
52
/CS
50
I/RST RST1
DOUT
DIN
EBCIO
40
ELRI/O
ELRIO
39
SYNC
49
VDDR
+B2
37
VDX
+B2
2
VDA12
13
+B2
+B2
TST0
TST1
60
61
FL
SP IN
+B2
Rch
TAPE

Related product manuals