EasyManua.ls Logo

Technics SH-DV250 - Page 37

Technics SH-DV250
40 pages
Print Icon
To Next Page IconTo Next Page
To Next Page IconTo Next Page
To Previous Page IconTo Previous Page
To Previous Page IconTo Previous Page
Loading...
22 23
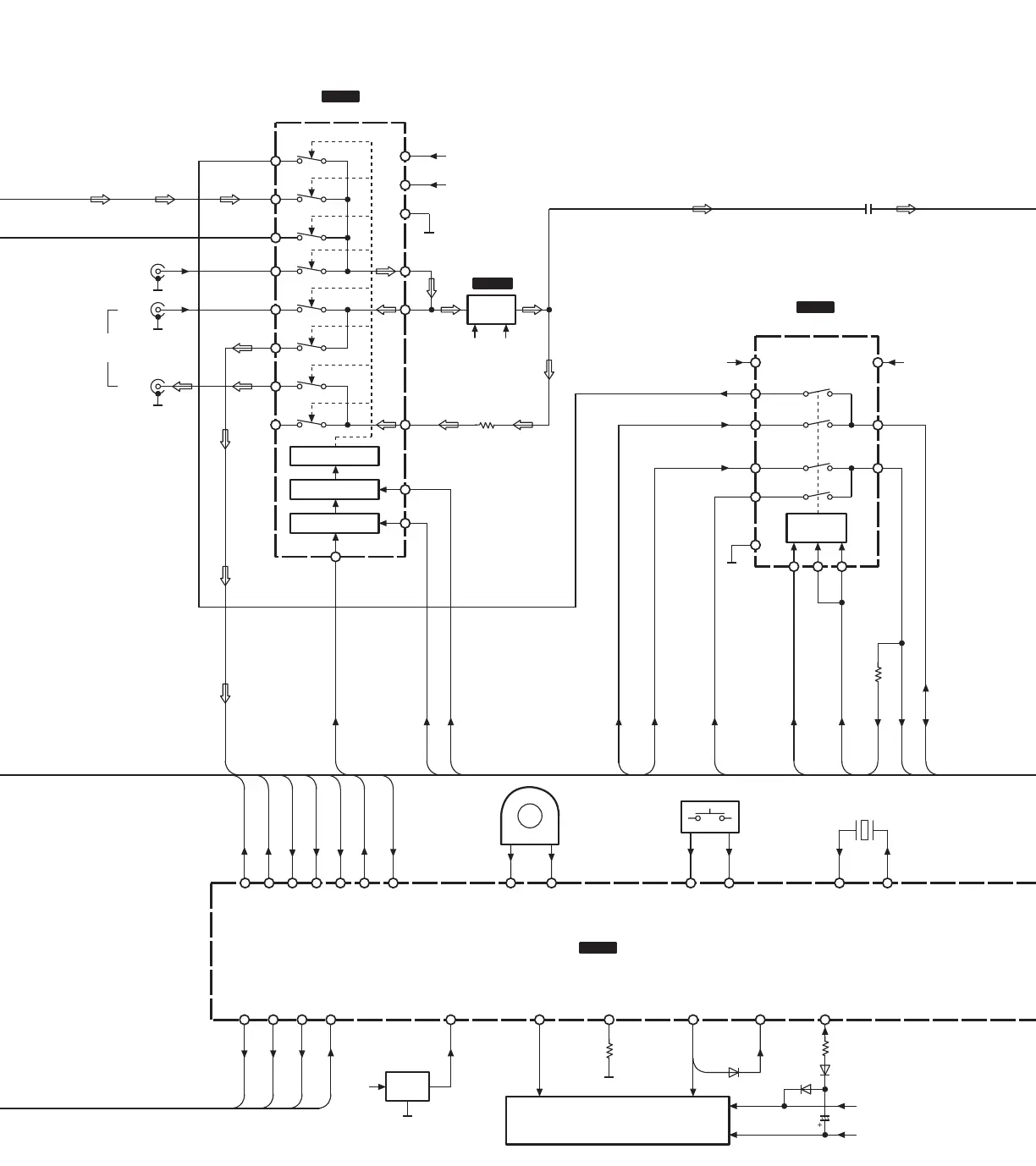
X601
(4MHz)
XIN
X OUT
SW CONT.
12
X0
Z1
Z0
14
ABC
11 10 9
STIAV
G
8
X1
13
5
3
4
BU4053BCFE2
IC203
SIGNAL SELECTOR
NJU7313AMT2
IC201
SIGNAL SELECTOR
LEVEL SHIFT
LATCH CIRCUIT
SHIFT REGISTER
2
(29)
3
(28)
4
(27)
5
(26)
7
(24)
8
(23)
14
16
17
ST
CK
DATA
9
(22)
6
(25)
X1
X2
ST
CLK
DA
1
30
-B1
+B4
15
V
EE
VDD
VSS
12
(19)
11
(20)
10
(21)
X3
X4
VDP
(AUX)
VCR
(EXT)
IN
OUT
NJM4558MTE1
IC202
CCHMIC
MIC
REC L1
95
DECK
REQ
CD&DECK
DO
91 90
CD&DECK
DI
96
CD&DECK
CS
92
CD&DECK
CK
94
CD REQ
C2BBGF000251
IC601
SYSTEM CONTROL / FL DRIVE
KEY SWITCH
(S601~613)
1
KEY1
KEY2
2
FL601
FL DISPLAY
82~88
1G~7G
47~80
P1~P34
D653
99
RGE IN0
FL1
FL2
D609
D610
89
VEE
32
SYNC
4
SP A
5
SP B
6
SP C
SP IN
3
SYNC
CD REQ
CD&DECK CS
CD&DECK CK
CD&DECK DI
CD&DECK DO
DECK REQ
SP A
SP B
SP C
SP IN
S614
(MULTI
JOG)
15 16
JOG B
JOG A
VDD
16
+B4
+B4 -B1
BUFFER
AMP
VSS
7
-B1
C OUT
TU LIC
AVI6CH
X5
X6
X8
X7
SPIN
RESET
Q601
+B5
18
RESET
100
REG IN1
TAPE LIC

Related product manuals