EasyManua.ls Logo

Technics SL-1200MK2 - Exploded Views; Cabinet and Chassis Parts

Technics SL-1200MK2
20 pages
Print Icon
To Next Page IconTo Next Page
To Next Page IconTo Next Page
To Previous Page IconTo Previous Page
To Previous Page IconTo Previous Page
Loading...
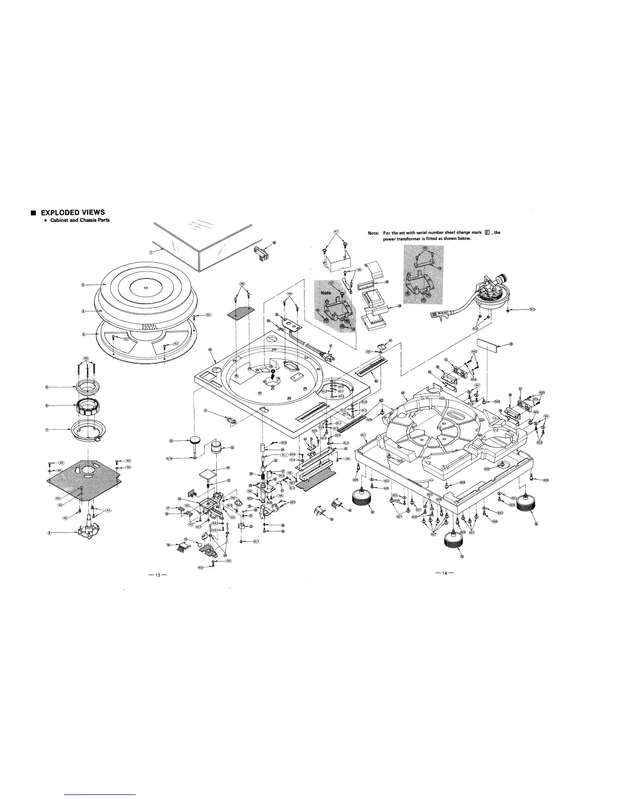
EXPLODED VIEWS
Cabinet and ChassisParts
Note: For the set with serial number sheet change mark [] , the
power transformer is fitted as shown below.
®
®
®
®
I
@
@
I
@
\
®
\
--13_ 14

Other manuals for Technics SL-1200MK2

Related product manuals