EasyManua.ls Logo

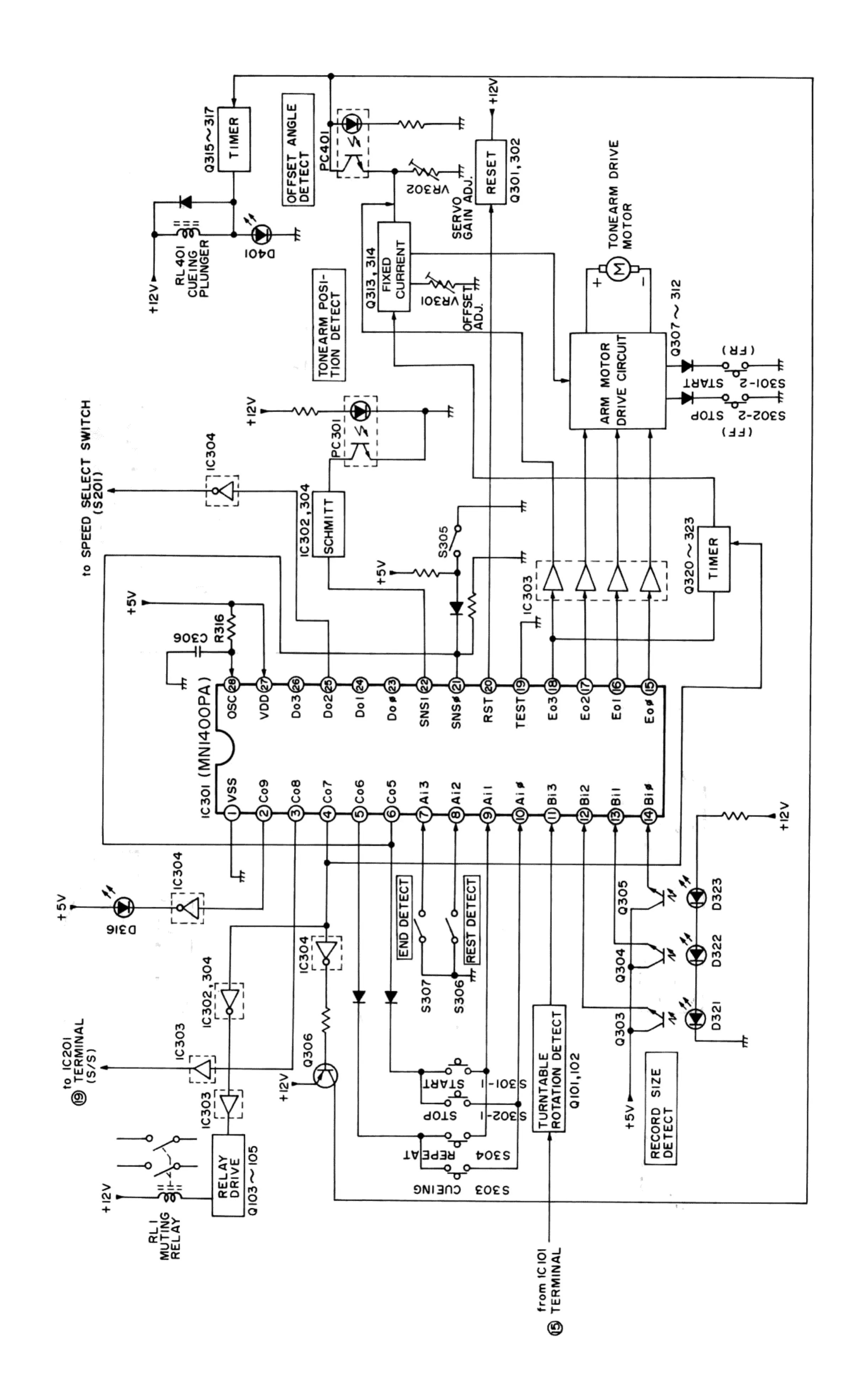
Technics SL-7 - Schematic Diagram 2

Technics SL-7
33 pages
Print Icon
To Next Page IconTo Next Page
To Next Page IconTo Next Page
To Previous Page IconTo Previous Page
To Previous Page IconTo Previous Page
Loading...

Other manuals for Technics SL-7

Related product manuals