EasyManua.ls Logo

Technics SL-HD501 - Page 15

Technics SL-HD501
36 pages
Print Icon
To Next Page IconTo Next Page
To Next Page IconTo Next Page
To Previous Page IconTo Previous Page
To Previous Page IconTo Previous Page
Loading...
SL-HD301
/
SL-HD501
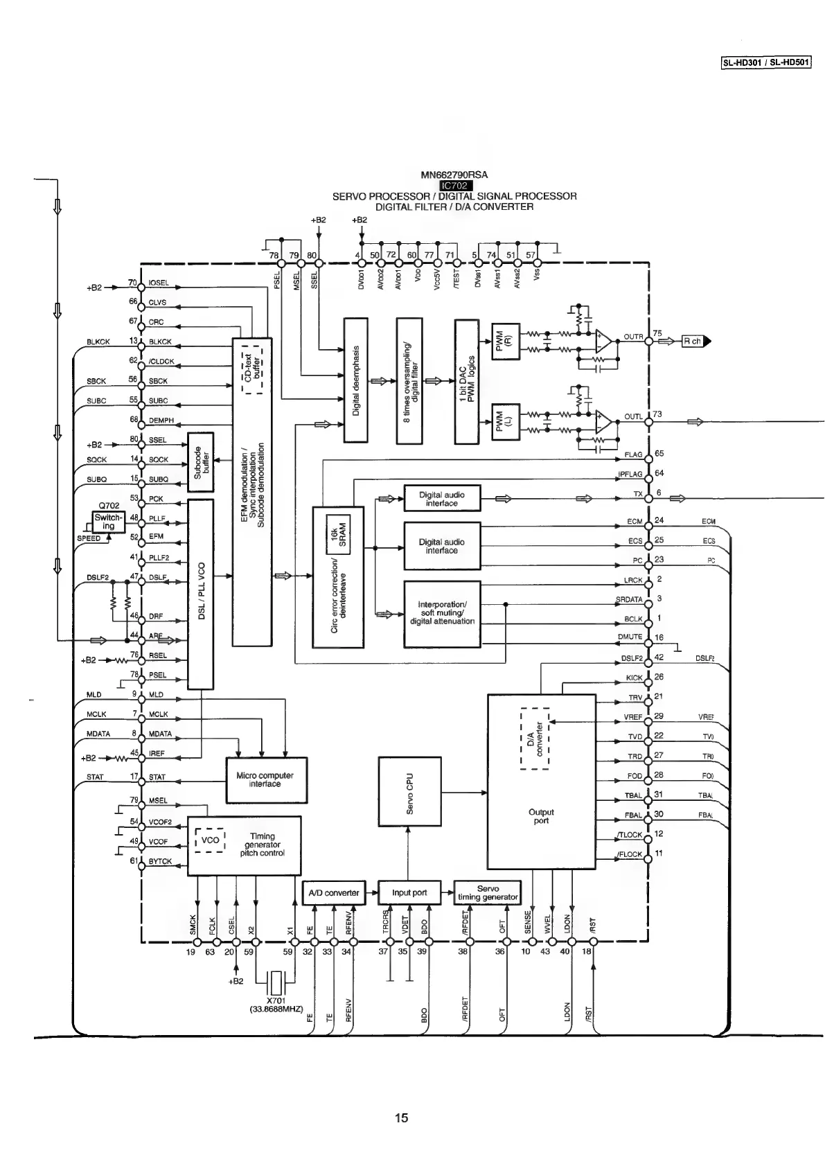
MN662790RSA
SERVO
PROCESSOR
/
DIGITAL
SIGNAL
PROCESSOR
{h
DIGITAL
FILTER
/
D/A
CONVERTER
+B2
+B2
sala
80
OO
+B2
{h
BLKCK
1
bit
DAC
PWM
logics
digital
filter
Digital
deemphasis
8
times
oversampling/
{
EFM
demodulation
/
Sync
interpolation
Subcode
demodulation
Digital
audio
interface
i
Interporation/
soft
muting/
digital
attenuation
deinterleave
Cire
error
correction/
converter
La
eal
D/A
Micro
computer
FOD
A
28
FOR
interface
O
TBAL
A,
31
}
TBAL
FBAL
A,
30
FB.
d
AL
Timing
1
VCO;
generator
O
==
i=
pitch
control
/FLOCK
0)
Servo
timing
generator
X701
(33.8688MHZ)
i
ire
15

Related product manuals