EasyManua.ls Logo

Technics SL-HD501 - Schematic Diagrams

Technics SL-HD501
36 pages
Print Icon
To Next Page IconTo Next Page
To Next Page IconTo Next Page
To Previous Page IconTo Previous Page
To Previous Page IconTo Previous Page
Loading...
SL-HD301
/
SL-HD501
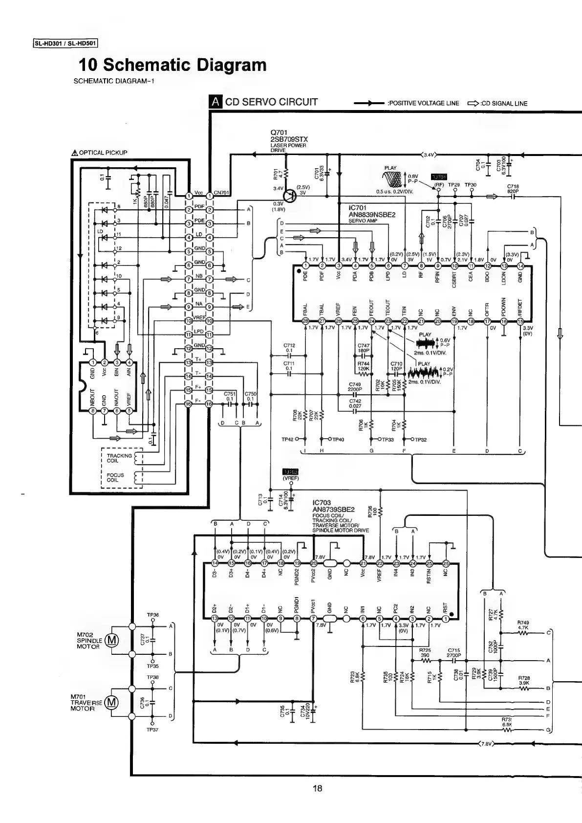
10
Schematic
Diagram
SCHEMATIC
DIAGRAM-1
AXOPTICAL
PICKUP
M701
TRAVERSE
(M)
MOTOR
——p=———
POSITIVE
VOLTAGE
LINE
(->>:CD
SIGNALLINE
CD
SERVO
CIRCUIT
Q701
2SB709STX
LASER
POWER
DRIVE
3.4V,
RS
a
0.8V
a
(RF)
TP29 TP30
0.5
us.
0.2V/DIV.
°
?
?
1C701
AN8839NSBE2
SERVO
AMP
(1.5V)
(2.3V)
W
Yo7v
Y2.1v
Y1.ev
|
ov
~
0.6V
P-P
2ms.
0.1V/DIV.
0.2
ee
P-P
2ms,
0.1V/DIV.
OTP33 OTP32
1C703
AN8739SBE2
$8
FOCUS
COIL/
am
TRACKING
COIL/
TRAVERSE
MOTOR/
SPINDLE
MOTOR
DRIVE
B
A
J
|
(0.4V)
](0.2V)
]
(0.1V)
F(0.4V)
ov
ov
ov
ov
7.BV
7.8V
]1.7V ¥1.7V ¥1.7V
S———
==
=O)
>
a
'
*
oO
nN
a
oO
uu
z
2
a428
3
§3
2
8
£
5
9
a
>
a
BOA
in
ma
ax
OO
O—®)
oe
R749
7.8V
1.7v
[3.av
7
1.7v
]1.7v
47K
(ov)
j
Cc
az
gs
R725
715
58
2700P
A
oz)
Qe
Ras
8
3
ay
aoe58
R728
ae
3.9K
B
D
[=]
Sui
38st
E
RS
RS
Oo
oo
F
I
S
R731
6.8K
G
7.8V
arte
18

Related product manuals