EasyManua.ls Logo

Technics SL-HD550 - Page 35

Technics SL-HD550
63 pages
Print Icon
To Next Page IconTo Next Page
To Next Page IconTo Next Page
To Previous Page IconTo Previous Page
To Previous Page IconTo Previous Page
Loading...
27
4
5
28
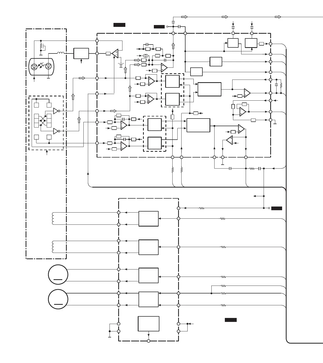
OPTICAL PICKUP
Q701
6
7
Vref.
Vref.
ACH
VCBA
BCH
1
Vref.
Vref.
ECH
VCBA
FCH
F
2
Vref.
Vref.
2316
A
B
E
+B2
AN8839NSBE2
IC701
SERVO AMP
Vref.
Vref.
+B2
Vref.
13
Vref.
Vref.
Vref.
26
VREF
14
3
+B2
Vref.
24
FE
BDO
11
3
TENV
RF
DET.
+B2
OFTR
DET.
10
+B2
19
15
RFENV
/RFDET
17
OFT
89
VREF
TE
FBAL
TBAL
F-
F+
T-
T+
M702
SPINDLE
MOTOR
M701
TRAVERSE
MOTOR
VREF
22
17
FOCUS
COIL
DRIVE
16
D4+
D4-
11
TRAVERSE
MOTOR
DRIVE
10
D1+
D1-
13
12
D2+
D2-
TRV+
TRV-
M
1
SPINDLE
MOTOR
DRIVE
IN3
24
IN4
23
15
TRACKING
COIL
DRIVE
14
D3+
D3-
RESET
SIGNAL
GENERATOR
/RST
PGND1
PGND2
8
19
+B1
7
20
PVcc1
PVcc2
IN1
6
IN2
3
PC2
4
TRD
FOD
TVD
ECS
ECM
PC
ENV
OFTR
/RFDET
FE OUT
VCC
VREF
GND
TEOUT
PDOWN
FBAL
TBAL
PDF
PDE
PDB
LDON
PDA
LD
LPD
RF RFIN CSBRT CEA
EE
F F
B
C
C
A
D
D
SP+
SP-
M
Vref.
TEIN
22
(RF)
TJ701
BDO
DET.
12
BDO
FE IN
25
LDON
AN8739SBE2
IC703
FOCUS COIL / TRACKING
COIL / TRAVERSE MOTOR /
SPINDLE MOTOR DRIVE
LASER
POWER
DRIVE
PHOTO DETECTOR
FOCUS COIL
TRACKING COIL
SEMICONDUCTOR
LASER
SUBTRACTER
SUBTRACTER
VREF
VREF
VREF

Related product manuals