EasyManua.ls Logo

Technics ST-600 - Page 9

Technics ST-600
18 pages
Print Icon
To Next Page IconTo Next Page
To Next Page IconTo Next Page
To Previous Page IconTo Previous Page
To Previous Page IconTo Previous Page
Loading...
ST-600 ST-600
m@
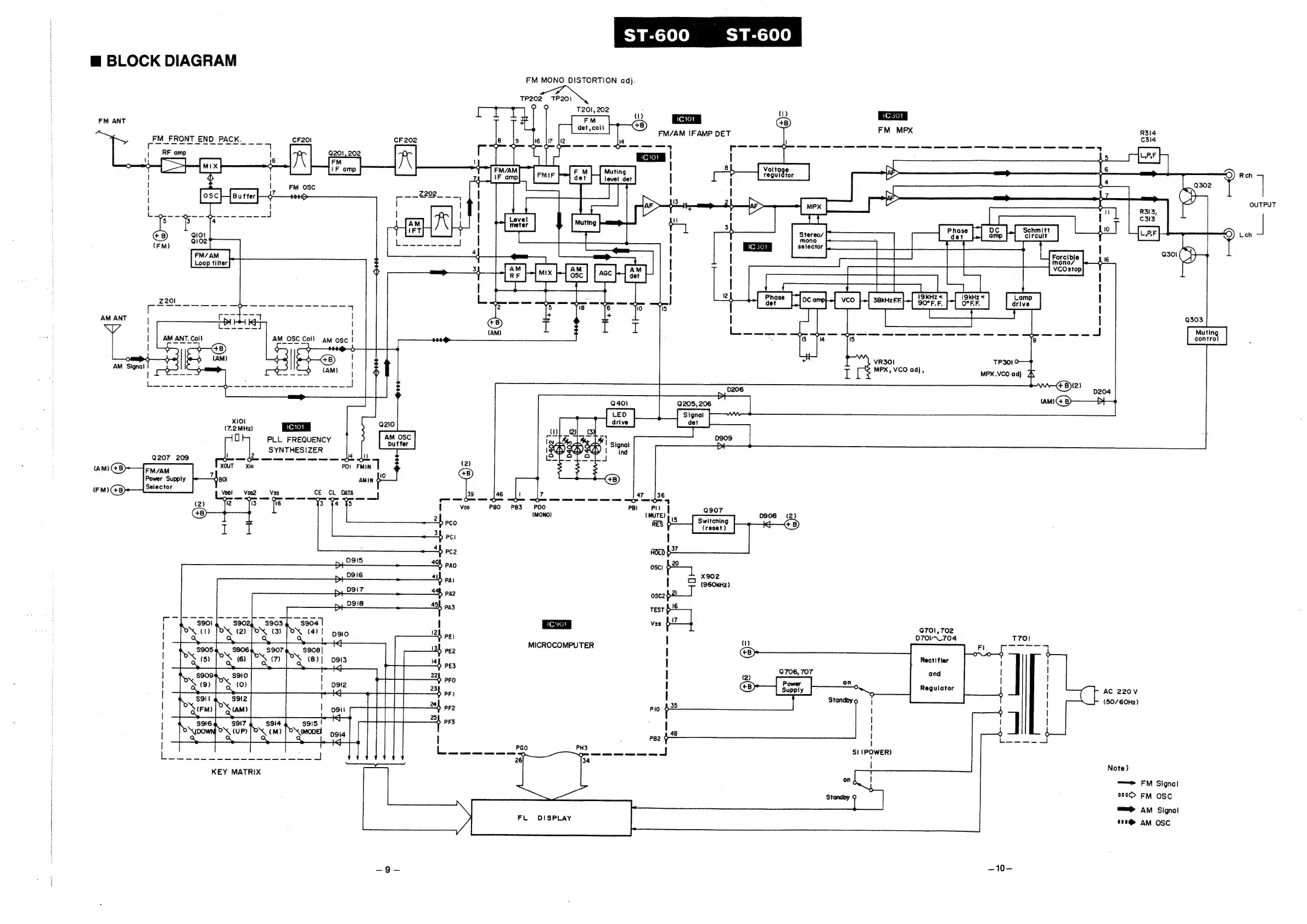
BLOCK
DIAGRAM
FM
MONO
DISTORTION
adj.
TP202
TP20!
0
202
T201,
;
a)
1
FM
ees
<8)
FM/AM
IFAMP
DET
EM.
MEX
pt
FM_FRONT
END
PACK.
_
7
CF20!
td
|
RF
amp
!
Q201,
202
1
FM
O
O
1F
amp
6
eee?
7
Q303
Muting
-
contro}
VR301
TP3010
I
fc
MPX,
VCO
adj,
MPX.VCO
adj
AM
Signal
xt0l
det
(72MHz)
aoe
O
PLL
FREQUENCY
SYNTHESIZER
Q207
209
Mo
es
a
as
as
Se
ee
is
xOUT
Xin
PO!
FMIN
Bw
10
G8)
AMIN
>
(FM)GB)
_vs
ce
cL
oma
ny
——G—
6
|
eee
EI
436,
ig
3
}4
9s
Voo
PBO
PB3
PDO
a
ca
|
Q907
3
(MONO)
(MUTE)
p08
(2)
PCO
RES
©
PCI
44
pce
AOtO
p>
D9!5
408
pao
osci
Py
09!6
4
pai
b>
D917
44),
pa2
oscapar
D918
45)
on3
eter
be
Ree
a
re
CA
Aatl
Ss
Jeans
«
Vv:
7
S901
{
Sa0a{
S808
$904
|
I
Se
701,702
oN
a)
(2)
oN.
(9
PO
(411
pgio
es
‘i
D701I7~_704
T701
|
$905
$9064
$907
$908|
-
134,
pe2
MESO
OMEUTER
|
aad
|
PE
[PS
87}
0913
44
bes
I
ae
J
and
|
$9094.
S910
224
ne9
|
|
|
(9)
|S
co
rT
TT
2
I
Sapply
Regulator
Ac
220
q
>
PFI
9
|
sgl!
$92
ea
|
|
e
!
H
|
(50/60Hz)
|
ON
O%
®
pF2
PIO
©
|
|
S
(FM)
|
>
SAM)
Tr
3
|
$917
$914
sais!
°~
yp
PFS
sane
|
|
j
[PX
PDOWN
EN,
(UPTON,
(Md
[PN
MODE!
p94
|
;
pao
6-42
eae
as
a
:
E
7
SI
(POWER)
as
be
a
a
Note)
KEY
MATRIX
—-
FM
Signal
o00C>
FM
OSC
==>
AM
Signal
«18
AM
OSC
—10—

Related product manuals