EasyManua.ls Logo

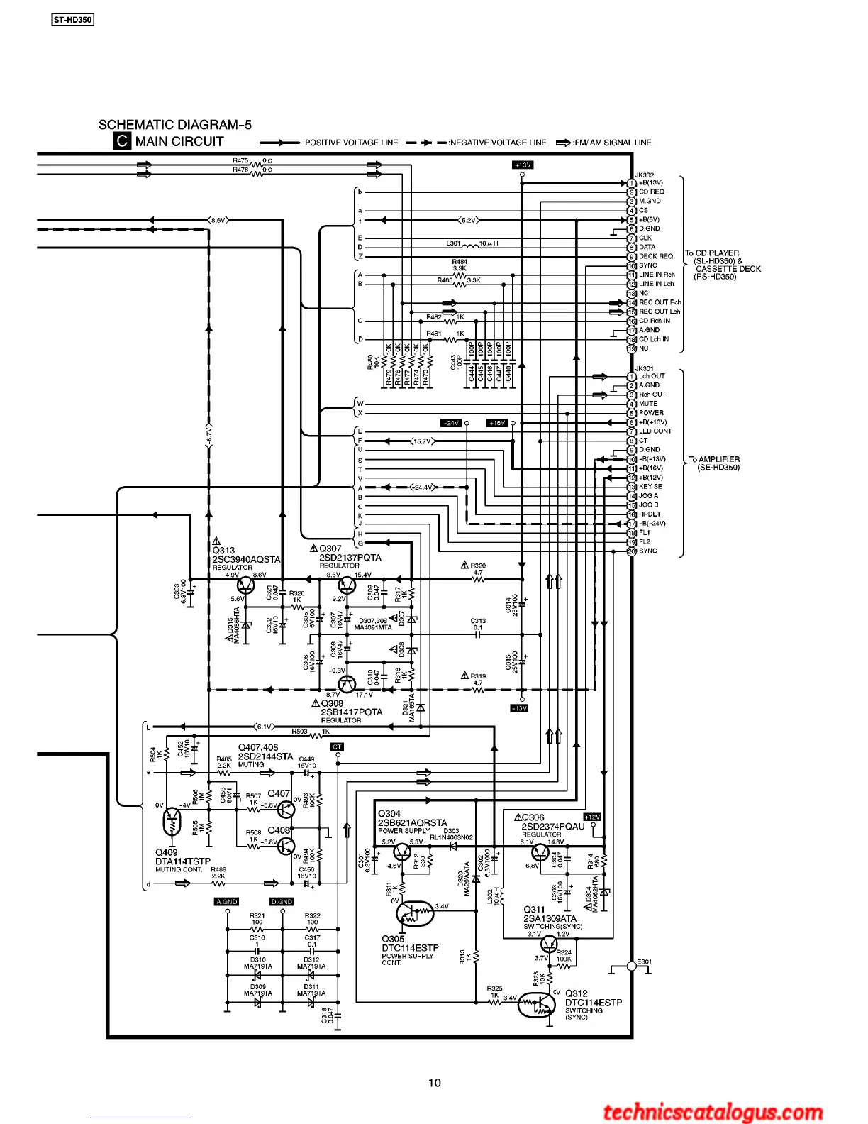
Technics ST-HD350 - Schematic Diagram-5: Main Circuit

Technics ST-HD350
24 pages
Print Icon
To Next Page IconTo Next Page
To Next Page IconTo Next Page
To Previous Page IconTo Previous Page
To Previous Page IconTo Previous Page
Loading...

Related product manuals