EasyManua.ls Logo

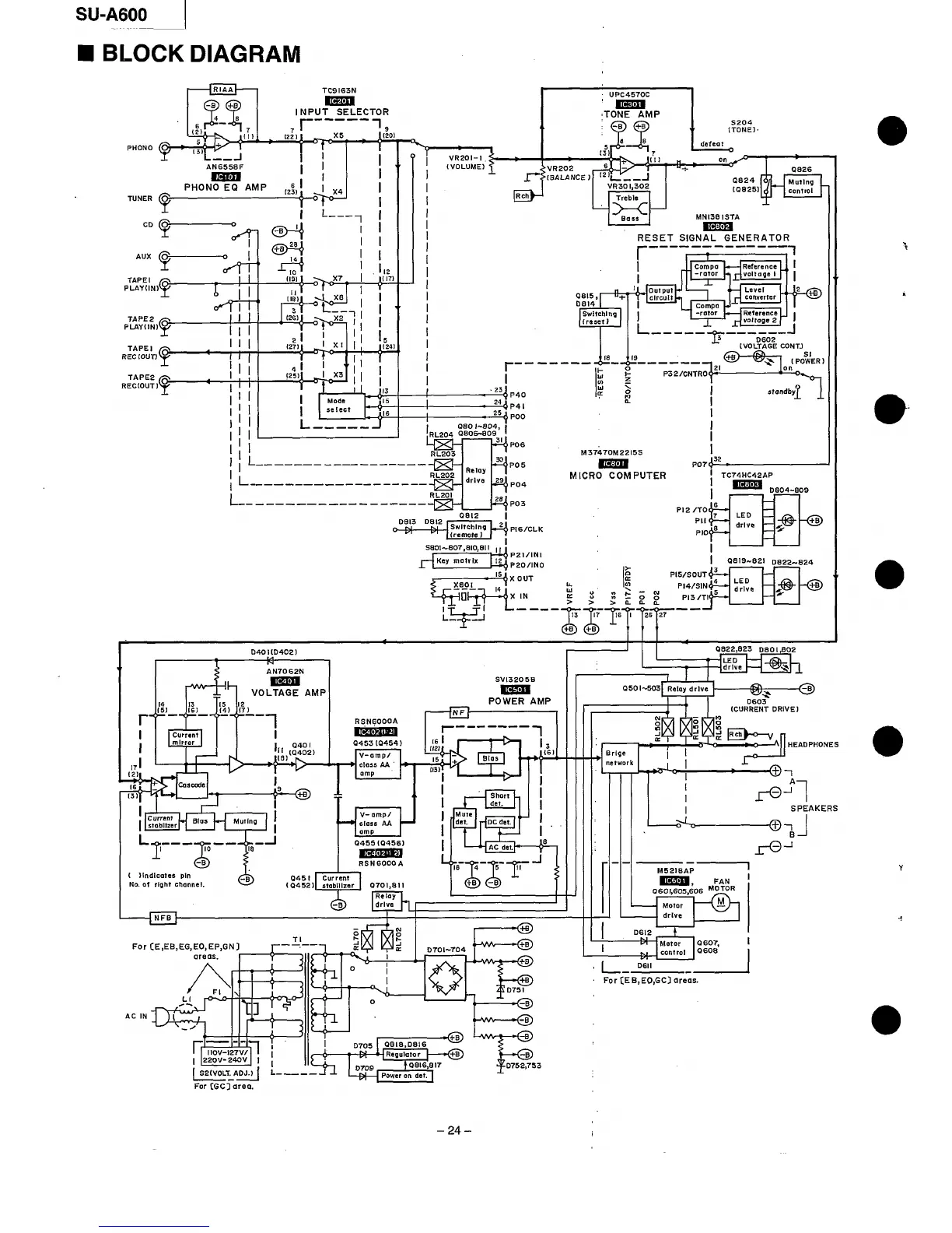
Technics SU-A600 - System Block Diagram; Signal Flow and Input Selection Blocks; Amplifier Stage and Control Circuit Blocks; Power Supply and Microcomputer Control Blocks

Technics SU-A600
25 pages
Print Icon
To Next Page IconTo Next Page
To Next Page IconTo Next Page
To Previous Page IconTo Previous Page
To Previous Page IconTo Previous Page
Loading...

Other manuals for Technics SU-A600

Related product manuals