EasyManua.ls Logo

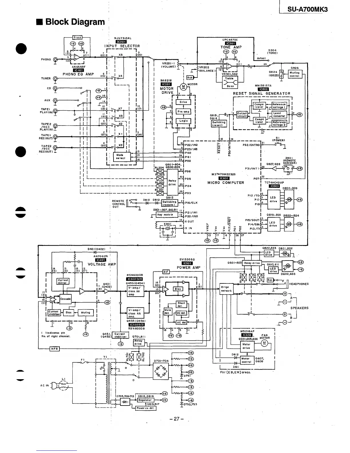
Technics SU-A700MK3 - Block Diagram of System Function; Signal Flow and Functional Blocks

Technics SU-A700MK3
36 pages
Print Icon
To Next Page IconTo Next Page
To Next Page IconTo Next Page
To Previous Page IconTo Previous Page
To Previous Page IconTo Previous Page
Loading...

Related product manuals