EasyManua.ls Logo

Technics SU-V4A E - Page 9

Technics SU-V4A E
18 pages
Print Icon
To Next Page IconTo Next Page
To Next Page IconTo Next Page
To Previous Page IconTo Previous Page
To Previous Page IconTo Previous Page
Loading...
|
Vr-7F.
|
VE.
9,
m@
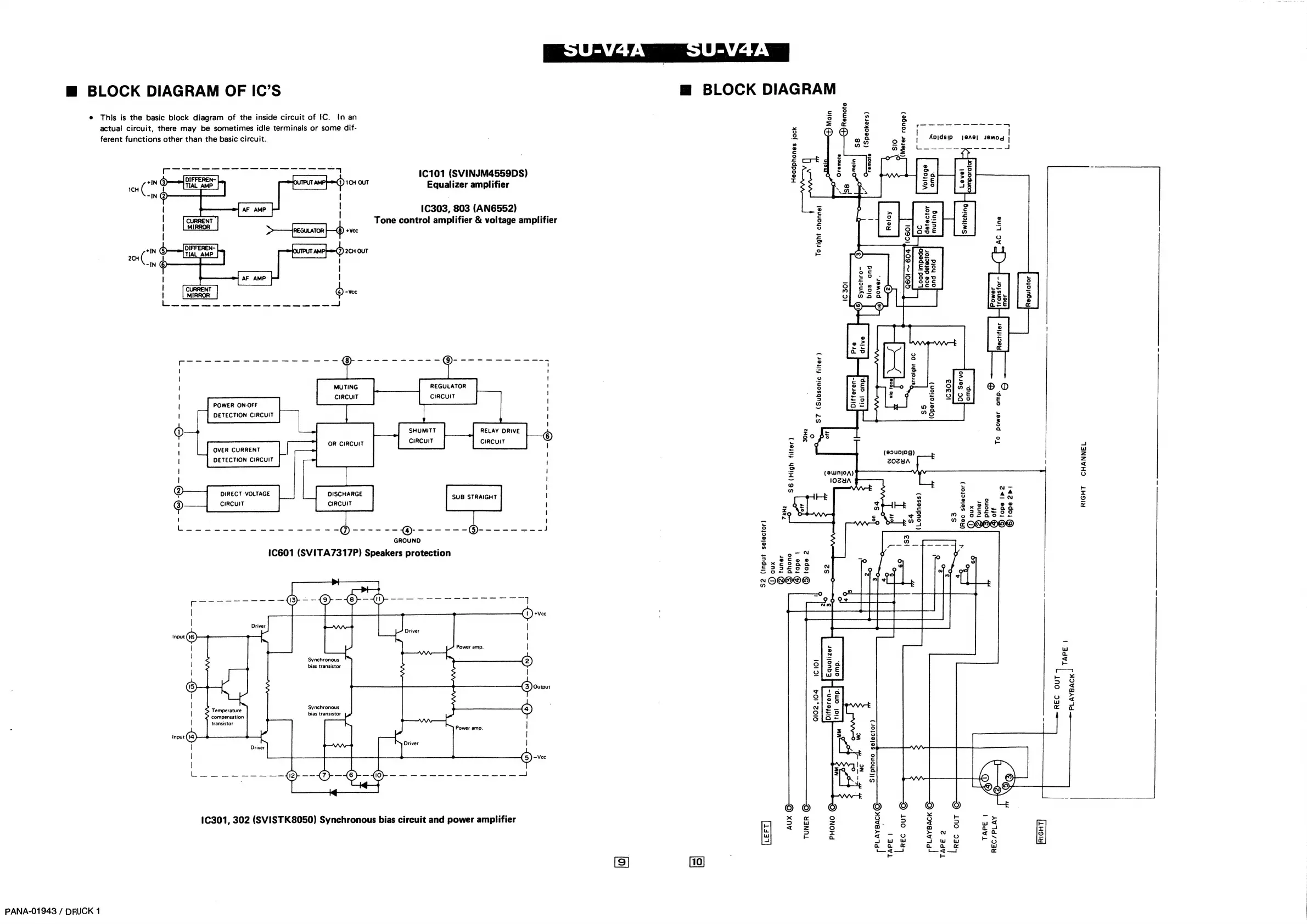
BLOCK
DIAGRAM
OF
IC’S
m@
BLOCK
DIAGRAM
®@
5)
-~
e
This
is
the
basic
block
diagram
of
the
inside
circuit
of
IC.
In
an
E
E
e
actual
circuit,
there
may
be
sometimes
idle
terminals
or
some
dif-
x
es
=
3
ferent
functions
other
than
the
basic
circuit.
2.
oo
2
e
°
=
|
£
cat
F
e
Ge
eh
ee
ee
ee
7
3
.
.
1C101
(SVINJM4559DSs)
H
Us)
rIN@
OUTPUT
AMP
\)
1CH
OUT
Equalizer
amplifier
i
@
1C303,
803
(AN6552)
Tone
control
amplifier
&
voltage
amplifier
REGULATOR
(8)
+Vee
To
right
channel
DIFFEREN-
:
TIAL
AMP
@)
2CH
OUT
bias
and
power
Synchro-
rr
p-—-————-—---
a
|
é
E
l
Avidsip
|@A8|
418M0qg
©
dose
ee
ee
ve
|
oS
¢
Voltage
amp.
Level
omparator
i}
detector
muting
Q60!I
~
604
Regulator
ca
mn
a
a
cca
Drea
Sr
.
5
|
!
=
|
|
2
MUTING
S
c
aif
®
@O
|
0
2
E
a
|
CIRCUIT
s
S
3
S
|
POWER
ON.OFF
a
5
o
DETECTION
CIRCUIT
a
§
.
:
3
M
SHUMITT
RELAY
DRIVE
s
-
=
CIRCUIT
G
=
Ro
re
:
|
OR
CIRCUIT
Ul
CIRCUIT
.
:
Ad
z
|
DETECTION
CIRCUIT
z
ZOZYA
|
3
|
|
2
=
+
(@WNIOA)
oS)
|
|
=
lOZYA
x
|
3
=
aad
(2)
n
zt
=
A
DIRECT
VOLTAGE
DISCHARGE
SUB
STRAIGHT
|
=
r
S
>
4A
rc
IRCUIT
RCUIT
é
oy.
o
re
®
CIRCU
CIRC
i
P
5
+
rt
3
3
5
§
2
g
g
=
a1
e¢AXe
+3
MOM,
o2a0ee
)
|
3
oD
4°53
EQRGOODOO
L
tae
Scans
aiden
ee
estes
kas
tess
Rage
sey
4
tele’
pepe
iets
Las
ca
eae
cam
ON
sec
a
a
aN
I
NN
A
Oe
ert
Le
ee
ar
J
5
@
@
©
5
GROUND
3
.
~"
1C601
(SVITA7317P)
Speakers
protection
=
ieee
e©fo
o
FO
Qa
x
fo)
£35685
§
c
1sOG0@20
4
°
—-—-—
—-—
=
|
er
es
1
|
Oe
:
cad
|
Driver
|
Input
(6)
|
|
Power
amp.
|
o
uJ
|
N
a
Synchronous
—|
=
|
bias
transistor
)
°
S
=
|
|
Ola
ae
5
§
(3)
output
o
6
_
fee)
S)
Oo
&
>
|
Synchronous
N
ca
Pemmperatur
:
bias
transistor
S)
Oo
{
compensation
a
a
transistor
-
Z
Power
amp.
°
|
ry
|
&
|
Driver
©
(5)
—Vec
-
|
2
Des
aoe
cease
iet
ge
eet
hp
ON
alec
el
PN
eae
Na
Se
ae
eg
|
=
Ww
O
x
x
is
e
s
e
e
es
-
1C301,
302
(SVISTK8050)
Synchronous
bias
circuit
and
power
amplifier
x
©
e
q
2
9
3
me
=
uw)
<=
5
E-
4
FX,
Be
S
=)
i
a.
Jw
w
J
Ww
w
ES
r3
a
ae
a
ae
Ww
Lue
<{
I
|
i
~<
Goes
|
ow
b
a
PANA-01943
/
DRUCK
1
Si
i
a
ta
ah
tt
Sk

Related product manuals