EasyManua.ls Logo

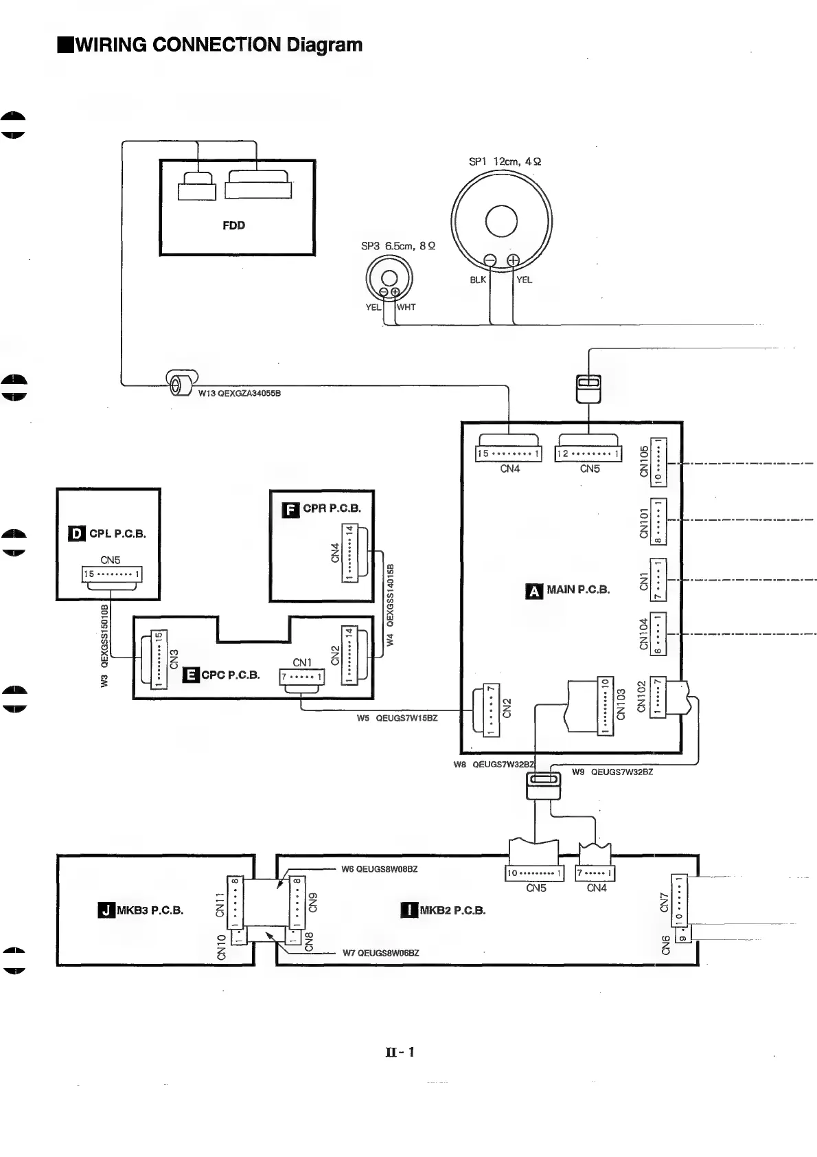
Technics SX-KN1600 - WIRING CONNECTION Diagram

Technics SX-KN1600
72 pages
Print Icon
To Next Page IconTo Next Page
To Next Page IconTo Next Page
To Previous Page IconTo Previous Page
To Previous Page IconTo Previous Page
Loading...
i)
i)
MIWIRING
CONNECTION
Diagram
SP1
SP3
6.5cm,
8 2
@)
)
Q
W13
QEXGZA34055B
|
F
CPR
P.C.B.
W4
QEXGSS14015B
2
{2
212
:|°
Picrcp.ce.
W3
QEXGSS15010B
W5
QEUGS7W15BZ
W8
QEUGS7W32BZ
W6
QEUGS8WO8BZ
2
Bj
uxes
p.c.p.
S
Eiuxez
p.ce.
|
&
IFT
Z
2
W7
QEUGS8WOSBZ
J2cem,
42
ecovccee
Fi
[12
cvccceee
HN
MAIN
P.C.B.
WS
QEUGS7W32BZ
(c=)
CN4
CN5

Related product manuals