EasyManua.ls Logo

Technosoft IBL2403-RS232 - Digital I;O Connection

Technosoft IBL2403-RS232
90 pages
Print Icon
To Next Page IconTo Next Page
To Next Page IconTo Next Page
To Previous Page IconTo Previous Page
To Previous Page IconTo Previous Page
Loading...
© Technosoft 2007 22 IBL2403 Technical Reference
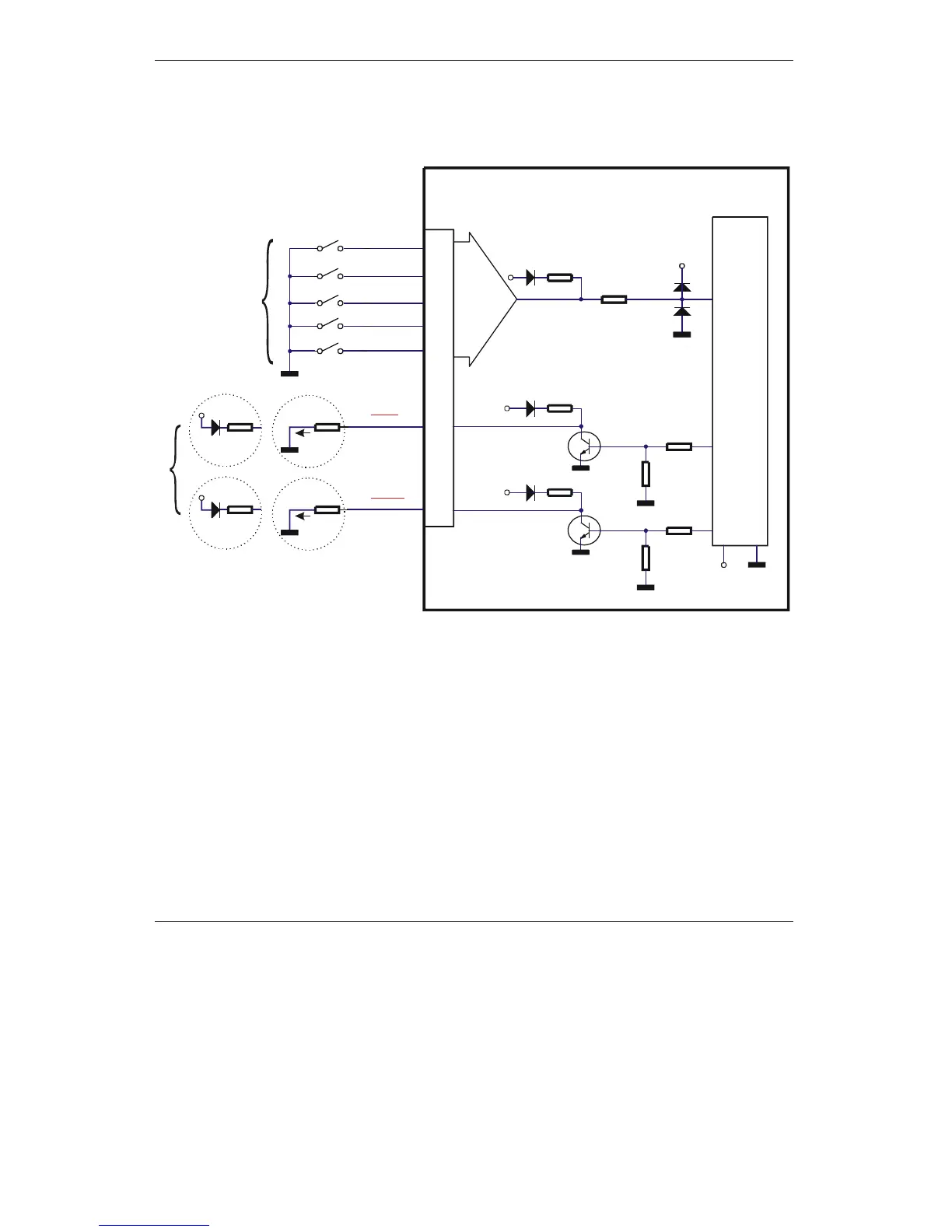
3.2.6. 5V Digital I/O connection
Pulse
9
IBL2403 v1.1 5V I/O Connection
+3.3V
Dir
11
Enable
Ready
470R
MotionChip
TM
1K
10
5
J1
7
8
6
LSP
LOAD
Error
max. 6mA
LOAD
1K
470R
1K
+3.3V
470R
10K
+3.3V
470R
10K
+5V
1K
+5V
LSN
+5V
Inputs
Outputs
+5V
max. 6mA
470R
+5V
470R
Figure 3.8. 5V Digital I/O connection

Table of Contents

Related product manuals