EasyManua.ls Logo

Technosoft IBL2403-RS232 - Page 40

Technosoft IBL2403-RS232
90 pages
Print Icon
To Next Page IconTo Next Page
To Next Page IconTo Next Page
To Previous Page IconTo Previous Page
To Previous Page IconTo Previous Page
Loading...
© Technosoft 2007 30 IBL2403 Technical Reference
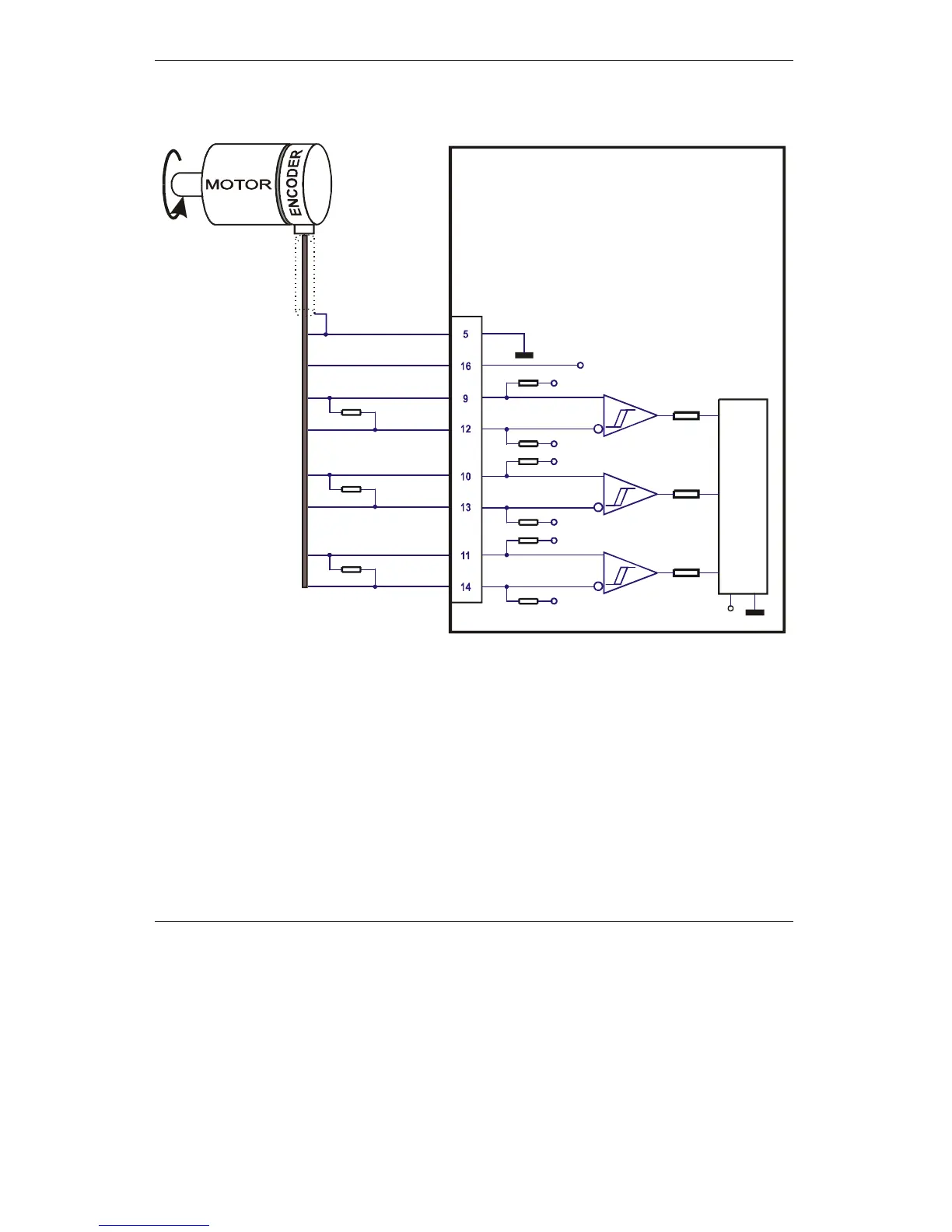
3.2.9.2 Differential encoder connection
+3.3V
Differential encoder
connection
Shield
IBL2403
v1.1
J2
+5V
MotionChip
TM
+5V
OUT
Enc A+
A-/LH1
Enc B+
B-/LH2
Enc Z +
Z-/LH3
GND
+5V
+2V
+5V
+2V
+5V
+2V
470R
47K
1K
1K
1K
470R
47K
470R
47K
120R
terminator
120R
terminator
120R
terminator
Figure 3.16. Differential encoder connection
Remark: 120- (0.25-W) terminators are required for long encoder cables, or noisy
environments.

Table of Contents

Related product manuals