EasyManua.ls Logo

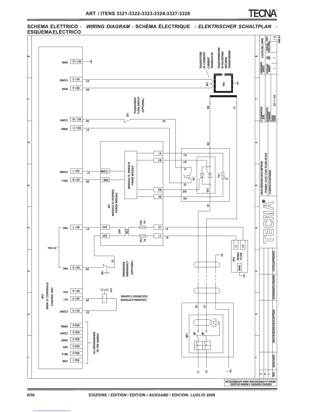
TECNA 3321 - Electrical Wiring Diagram

TECNA 3321
56 pages
Print Icon
To Next Page IconTo Next Page
To Next Page IconTo Next Page
To Previous Page IconTo Previous Page
To Previous Page IconTo Previous Page
Loading...

Related product manuals