EasyManua.ls Logo

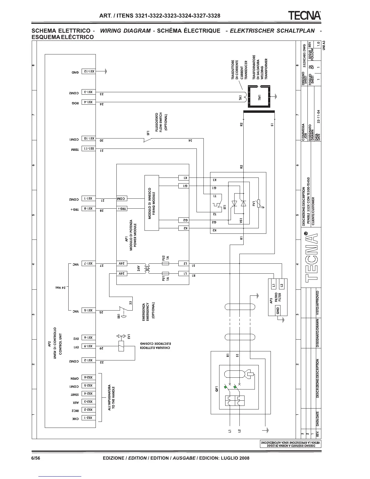
TECNA 3322 - Control Unit and Power Module Connections; Firing Module and Transformer Connections

Default Icon
56 pages
Print Icon
To Next Page IconTo Next Page
To Next Page IconTo Next Page
To Previous Page IconTo Previous Page
To Previous Page IconTo Previous Page
Loading...

Related product manuals