EasyManua.ls Logo

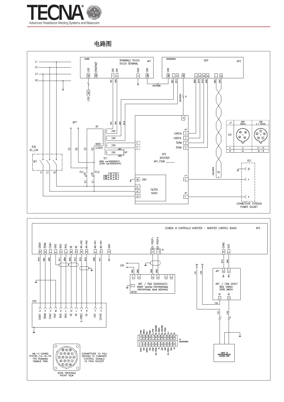
TECNA 3680 - Electrical Wiring Diagram; Main Power and Control Circuitry; Inverter Control Board and Connections

TECNA 3680
Print Icon
To Next Page IconTo Next Page
To Next Page IconTo Next Page
To Previous Page IconTo Previous Page
To Previous Page IconTo Previous Page
Loading...
21
Schema elettrico / Wiring diagram / Schéma électrique / Schaltplan / Esquema eléctrico /
Электрическая схема / 路图

Related product manuals