EasyManua.ls Logo

TECNA 4640N - Page 29

Default Icon
40 pages
Print Icon
To Next Page IconTo Next Page
To Next Page IconTo Next Page
To Previous Page IconTo Previous Page
To Previous Page IconTo Previous Page
Loading...
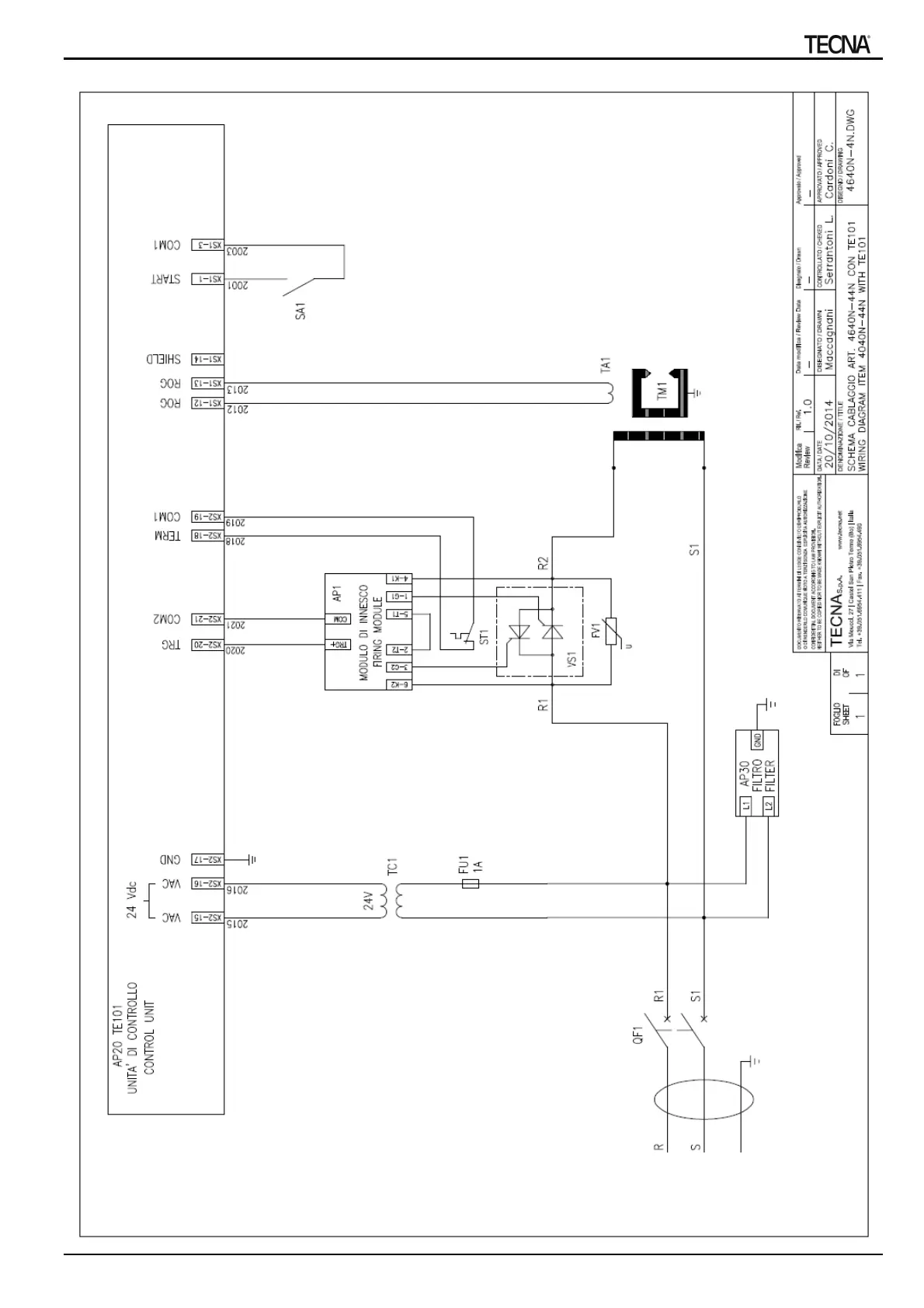
SALDATRICI ART. 4640N
÷
4644N - WELDERS ITEM 4640N
÷
4644N
EDIZIONE/EDITION: GIUGNO/JUNE 2019 PAG. 29 / 40
"РУТЕКТОР" - сертифицированный дистрибьютор TECNA S.p.A. на территории РФ. rutector.ru info@rutector.ru 8 800 100 00 69

Related product manuals