EasyManua.ls Logo

Tecnam P-Mentor - Pitot-Static Pressure System

Tecnam P-Mentor
390 pages
Print Icon
To Next Page IconTo Next Page
To Next Page IconTo Next Page
To Previous Page IconTo Previous Page
To Previous Page IconTo Previous Page
Loading...
1
st
Edition - Rev. 0
Section 7 - AIRFRAME AND SYSTEMS DESCRIPTION
PITOT-STATIC PRESSURE SYSTEM
P-Mentor – Aircraft Flight Manual Page 7 - 35
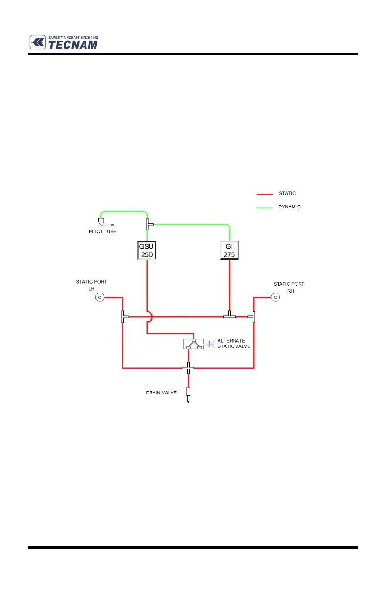
10. PITOT-STATIC PRESSURE SYSTEMS
The P-Mentor airspeed/altitude indicating systems are connected with a Pitot-Static
system based on a total pressure/Pitot probe (simple Pitot tube, heated for icing
protection) mounted on left wing strut and two static pressure ports connected in
parallel and located on left and right side of fuselage. Flexible hoses connect total
pressure and static ports to primary analogue instruments, anemometer and
altimeter. Garmin G3Xs Touch and standby GI-275 unit are connected to both static
and total pressure lines providing both airspeed and altitude information.
Figure 7-21Pitot-Static Pressure System

Table of Contents

Related product manuals