EasyManua.ls Logo

TECO JSDAP Series - Page 44

TECO JSDAP Series
255 pages
Print Icon
To Next Page IconTo Next Page
To Next Page IconTo Next Page
To Previous Page IconTo Previous Page
To Previous Page IconTo Previous Page
Loading...
2-21
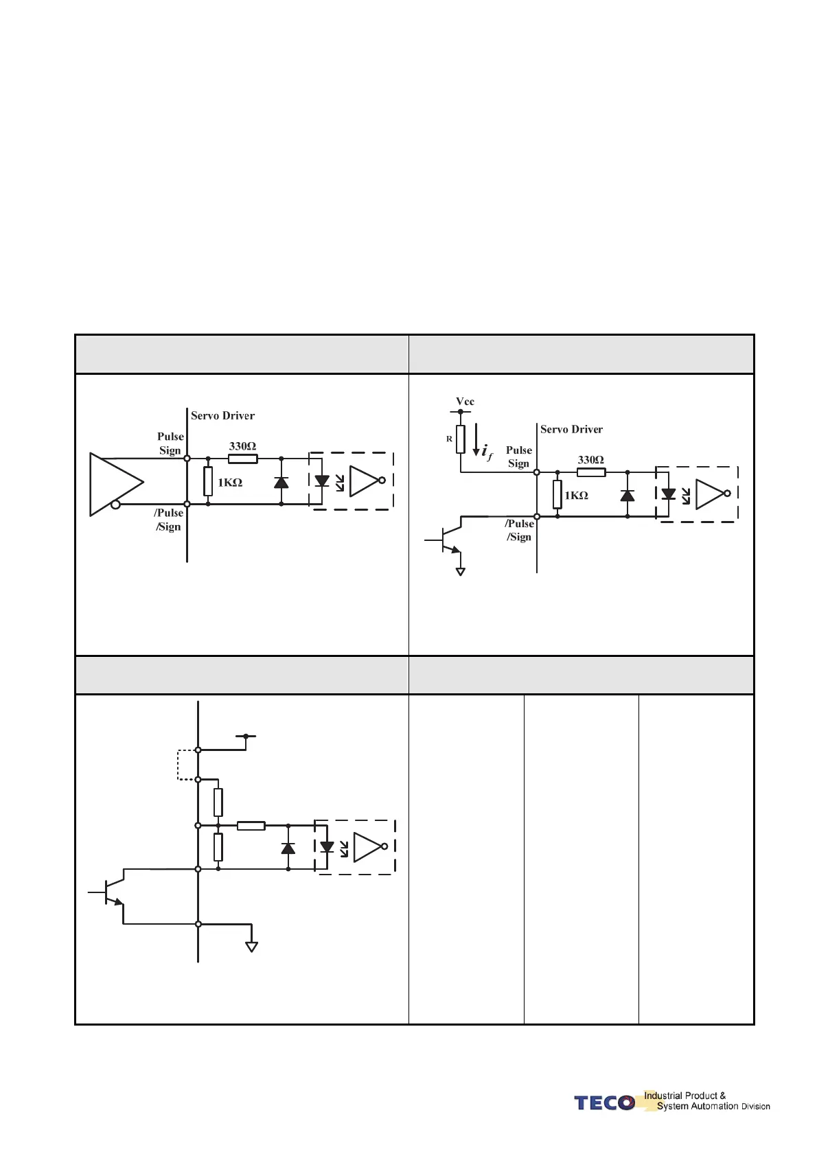
(c) Pulse Command Input Interface Circuit(IO3):
Suggesting to use the input method of Line Driver to send the pulse command. The maximum input command
frequency is 500kpps. Using the input method of Open Collector will cause the decrease of input command
frequency, the maximum input command frequency is 200kpps. The servo provides only 24V power, and other
power should be prepared. Adverse polarity of power will cause the servo damage. The maximum of External
power (Vcc) is 24V limited. Input current is about 8~15mA. Please refer to the examples below to select
resistance. Please refer to 5-4-1 to check pulse input command timing.
Line Driver pulse command input Open Collector pulse command input
The max. frequency of line driver type pulse command
is 500kpps
Maximum input command frequency of open collector is
200kpps
Open Collector (Internal 24V) Open Collector – Selection of input Resistance
DC24V
1K
330
Servo Driver
2K
OPC
IP24
/Pulse
/Sign
Pulse
Sign
IG24
CN1-45
CN1-49
CN1-41
The maximum input command frequency of open
collector is 200kpps
External Power
Vcc=24V
R=2K
External Power
Vcc=12V
R=750
External Power
Vcc=5V
R=100

Table of Contents

Other manuals for TECO JSDAP Series

Related product manuals