EasyManua.ls Logo

Tecumseh Argus - Page 22

Tecumseh Argus
36 pages
Print Icon
To Next Page IconTo Next Page
To Next Page IconTo Next Page
To Previous Page IconTo Previous Page
To Previous Page IconTo Previous Page
Loading...
20
©2019 Tecumseh Compressor Company LLC. All rights reserved. TPC Part #71511 | Rev A 05/13/2019www.tecumseh.com
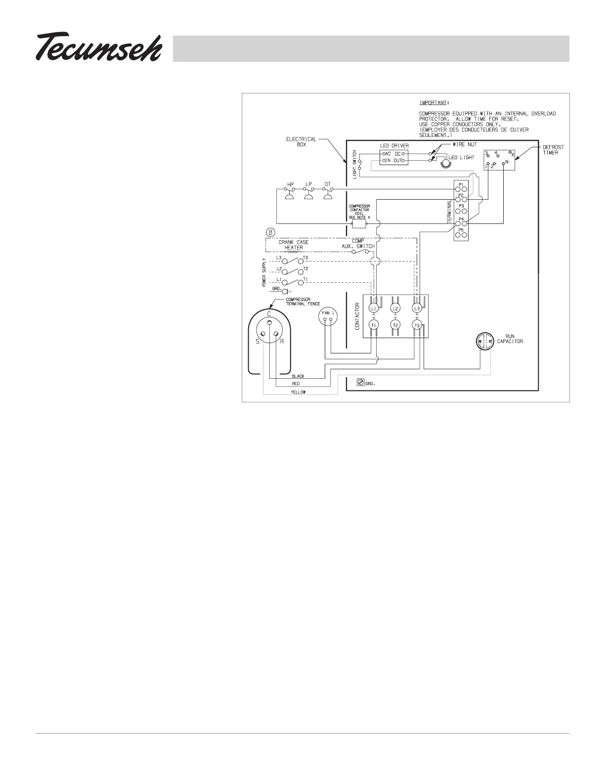
91294-1
200-230 Volt
3 Phase
1 Fan Motors
(Continued)
CU Wiring
Diagrams

Related product manuals