EasyManua.ls Logo

Tedelex EC2975N - Page 71

Tedelex EC2975N
77 pages
Print Icon
To Next Page IconTo Next Page
To Next Page IconTo Next Page
To Previous Page IconTo Previous Page
To Previous Page IconTo Previous Page
Loading...
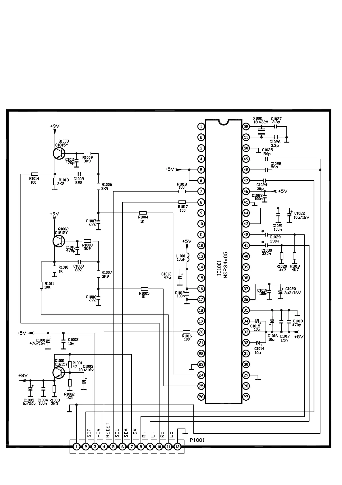
Nicam Board
EC2975N
71