EasyManua.ls Logo

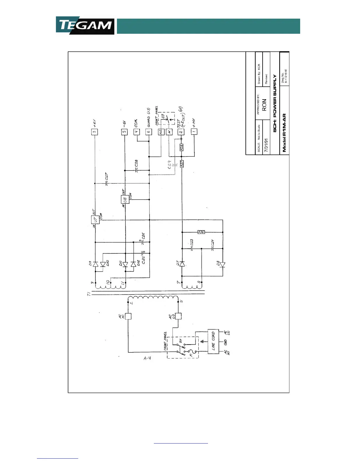
Tegam R1M-A - Figure 5: Power Supply Schematic

Tegam R1M-A
36 pages
Print Icon
To Next Page IconTo Next Page
To Next Page IconTo Next Page
To Previous Page IconTo Previous Page
To Previous Page IconTo Previous Page
Loading...
Revised August, 2004
10 TEGAM WAY • GENEVA, OHIO 44041 • 440-466-6100 • FAX 440-466-6110
sales@tegam.com
5-10
MAINTENANCE
Figure 3: Digital Section
Figure 5: Power Supply Schematics
TEGAM, INC.

Related product manuals