EasyManua.ls Logo

Tektronix 492 - Page 207

Tektronix 492
303 pages
Print Icon
To Next Page IconTo Next Page
To Next Page IconTo Next Page
To Previous Page IconTo Previous Page
To Previous Page IconTo Previous Page
Loading...
Theory of Operation492/492P Service Vol. 1 (SN B030000 & up)
5-44
BUS r e q Q j
INTENSITY ( 0
DISPLAY A fB }
DISPLAY B {34}
DISPLAY B-p(5eV
0 to 1
TRANSITION
DETECTOR
SYNC (26}
CLOCK
DOWN d H
UP 0 - * ·
UP/D O W N
INTERLOCK
PROGRAM ABLE
LOGJC ARRAY
CPl a
PRODUCT
TERMS
STATE
v a r ia b le
REQtSTER
SUM
TERMS
DISABLE
CC'JNT
Λ
{36]DISPLAY ENABLE
(35JCGMPA^E
~{24) READ/WRITE
B-A
DISPLAY
S T A T E
REGISTER
{2OJ MARKER
A/S
9 E!T
DISPLAY
COUNTER
/N
10 b i t
U P / DOWN
R E G I S T E R
.10
.10
UP
WSB
10 BIT
UP/DOWN
COUNTER
LSB
-H § ) le f t / r i c ^ h t
I
- * > - 0 I
~ H § )
8
7
40) 6
H D
MIX
- H D
- H D
- H D
- H D
i
LSB H P A/ B
\ HORIZONTAL
I DISPLAY
(21) START DIVIDE
-©9'
<D 8
-© 7
-06
-(») S
0 *
- 0 3
- 0
2
0 1
-fii) 0
HO RIZO N TA L
AC Q U IS IT IO N
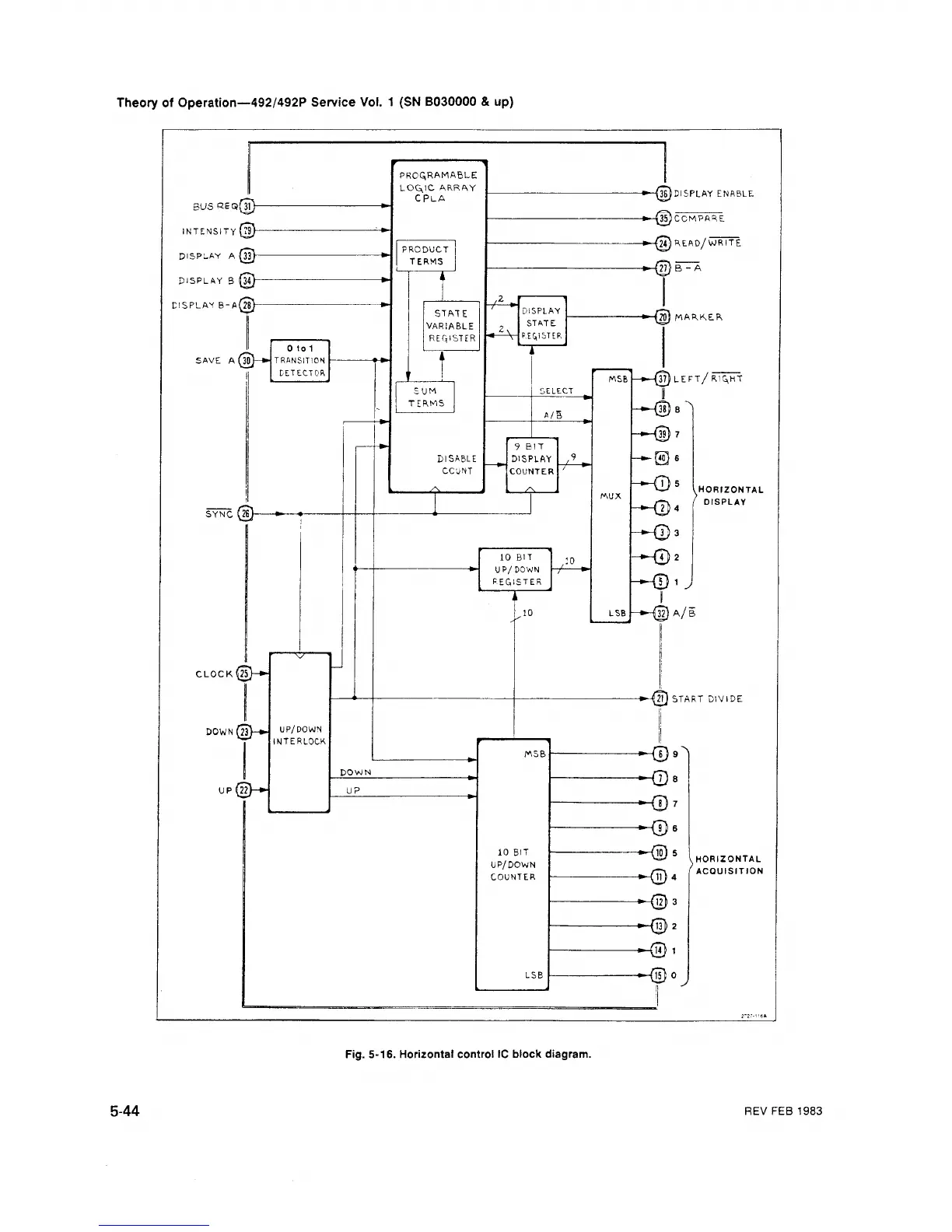
Fig. 5-16. Horizontal control IC block diagram.
REV FEB 1983

Other manuals for Tektronix 492

Related product manuals