EasyManua.ls Logo

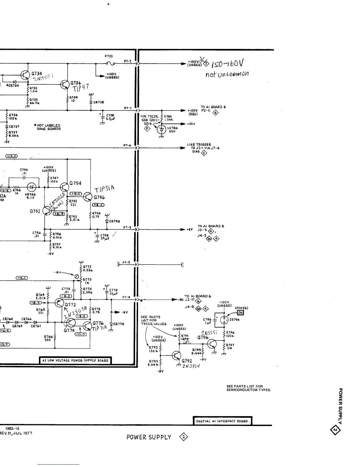
Tektronix T922 - Power Supply

Tektronix T922
217 pages
Print Icon
To Next Page IconTo Next Page
To Next Page IconTo Next Page
To Previous Page IconTo Previous Page
To Previous Page IconTo Previous Page
Loading...
1982-13
REV
.
B,J
U
L
1977
-8V
POWER
.
SUPPLY
SEE
PARTS
LIST
FOR
SEMICONDUCTOR
TYPES
.
I
PARTIAL
AI
INTERFACE
BOARD

Related product manuals