EasyManua.ls Logo

Tektronix TDS520 - A11 Porcessor

Tektronix TDS520
234 pages
Print Icon
To Next Page IconTo Next Page
To Next Page IconTo Next Page
To Previous Page IconTo Previous Page
To Previous Page IconTo Previous Page
Loading...
f~a...aCI(5
KERNEL
CPU
" I:ONTRDL
<€>
.-
r""
"
TO
"'
13
DISPLAY
i>
FIRHFACE
. ,
PROCESSOR
SYSTEM
KERNEL
M
EHORY.
10
& BUFFERS
BOARD
/0
15PL"
.,.
I
r~
.
SaO;!D
I
CLOCKS
'0
""
I
1
101
.01.02
0
,
"
(OSP)
....
fLOC<S
TO
ONTROL
H·
o4rA
OATA
PROCESSOR
B
UFFERS
, ,
SUF"FERS
SYSTEIot
'"'
BOOTRQIo4
J-t
I
ERROR
"7'-
LO(i
I
!:
KERNEL
i'-
.
~
..
~
..
CDRESS
H
tOOR
EI>S
INTERRUPTS
,
OECODE
lIU1'
FERS
I
l
raz
,
I-
<3>
,.~
I
RESET
,..
...
IT
I ' "
lSI
...
"
STATES
i
KERNEL
~
,
."
I'
I'
s
a020
,_..I
.
-;-;r
w
~
~
TO
412
'0
,
PlION
,~
<t>
FRONT
l
IoI
,O
l.02
'"'
~
,"P
~
PAHEL
<01
_
(
OSP)
~~~
OISPI..
...
y
DISPLAY
--:
'1
B~
I-'
~
M".,RY
"""
BO
ARD
"CORES
S
~
,
SUFFERS
,
-
CONTROL
I-'
OI5."LAY
,
REG
ISTE
R
INTERFACE
"
"'0,",
LA
TOlES
CHIP
l -
<€>
~
I
~~
201
SE
LE
C
TS
CLeo<
_
"
"""'
)
'0
'.OM
I '
<€>
OISPLAY
DECODE
SEG
ME
NT
I
r-
L
'O
CLOCK
J
....
I--
I
..
Y
0'"
I-'
I
I
r 'O
SWlTO-l
Q
ISPl...'T
.....
I
SERVICE
-
"""'
~'"
~
SEL.ECTS
' 0
..
.
'-
"
.-
~
0 .
'"'
('
DE
""'
,
I NTERRI..PTS
I'
B
OORD
I
G
PI
B
-,
oJ
r-<€>
-
..",
1>
IotFMSAVE
I
~~A
Co
::":
u,
,"0
-"P
m
' 0 ,
I-'
.m
CLOCK J
FROM
r
_
RESISTE
RS
.
~
PANEL DISP\..
...
Y
OZH
M
IO
,
I
FIFO
0 . 0
Bo.
OZ
,
'"'
0
0'"
""
••
I
-
TO
DISPLAY
.:..
TO
DJ:~PL"'Y
,
-
DBP
BUS
AR
B
ITRATION
,
INTERRUPTS
FRO
M\, _
(
,
DISPl.. .. y
-
.-
~-
...
. .
-
_.-
.
c:
u
n;
1C
__
~
DBP
~
T5IO
INSTR
UC
TI
ON
MEMORY
<0
<0
CLOCK
__
DBP
D.
,
D.
ME
MO
RY
,
OA
TA
FROfol
r
_
BUFFERS
0.
BUS
'0
I
4)
OISPL
"'
Y
,
"'
..
NT
"OORESS
LA
TCHES
<0
'0
,"US
'0
I
QISPLAY
J
'0
OISPI,.'"
OSP
I
02
·
0'
OAT
....
MoE
MDRY
,
BUFFERS
DC.
~
,
ACORESS
LATCHES
~
TOS
520
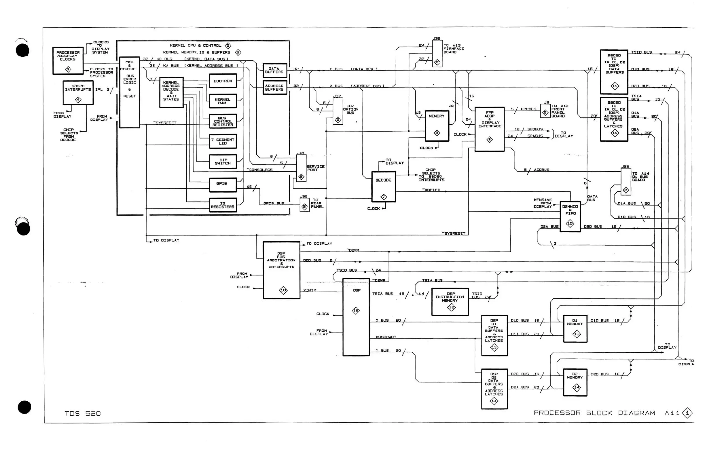
PROCESSOR BLOCK DIAGRAM

Table of Contents

Related product manuals