EasyManua.ls Logo

Temco TFC42-4 - Mobile Home Installation; Mobile Home Installation Exceptions; Firestop Thimble for Mobile Homes

Default Icon
17 pages
Print Icon
To Next Page IconTo Next Page
To Next Page IconTo Next Page
To Previous Page IconTo Previous Page
To Previous Page IconTo Previous Page
Loading...
MOBILE HOME INSTALLATION
TLC36-3MB and TLC42-4MB fireplaces are Underwriters
Laboratories listed for installation in a mobile home with
TEMCO double-wall 8" air-cooled chimney and compo-
nents. The installation of this fireplace in a mobile home is
similar to its installation in site construction with the follow-
ing exceptions:
1. The fireplace must be secured to the floor of the mobile
home by means of tabs on each side.
2. Only one elbow set may be used per fireplace system. A
minimum height of 13'6" must be maintained when
elbows are used.
3. TEMCO glass doors, firestop thimble and model AlR-3B
combustion air kit and BL-1 must be installed for mobile
home use. The duct for the combustion air kit may go
through the floor or the side wall of the mobile home.
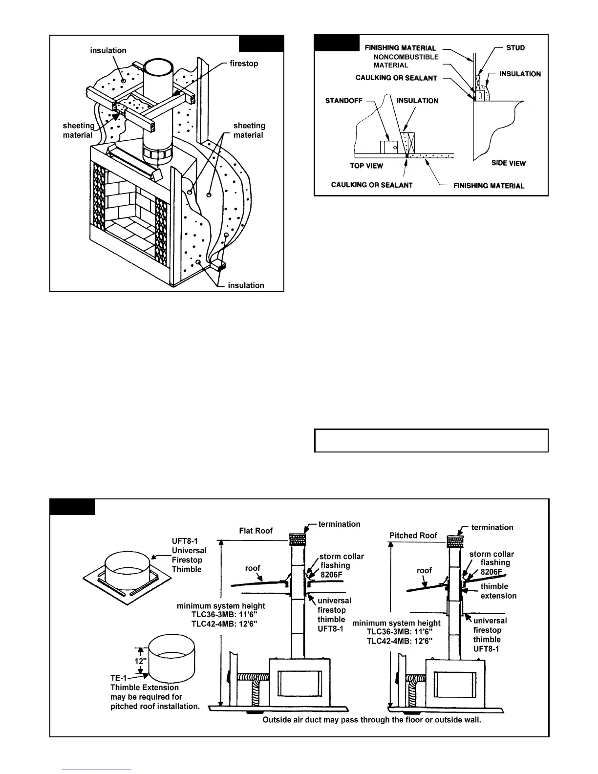
4. See figure 24 for minimum system height. The height of
the system is measured from the base of the fireplace
and includes 6" of the chimney cap.
5. A firestop thimble is required in all mobile home
installations. The TEMCO Model UFT8-1 universal
firestop thimble may be used for flat and vaulted mobile
home ceilings (0° to 30°).
The firestop thimble is designed to eliminate the need to
cut trusses when installing the 8" chimney between stan-
dard mobile home roof trusses fabricated on 16" centers.
Locate and mark the center of the chimney on the mobile
home ceiling. Cut a 14 1/2" square in the ceiling. Position
the firestop thimble with the flanges up and with the cylin-
drical portion extending up into the hole. Nail the firestop
thimble securely to the framing. The firestop thimble has
a 10" sleeve that functions as a heat shield. This collar
must extend from the ceiling level into the roof flashing.
A firestop thimble extension model TE-1 is required if the
thickness of the ceiling is such that the heat shield on the
thimble does not extend into the roof flashing. The
thimble extension slips into the firestop thimble and is
fastened to the thimble with sheet metal screws. A model
8206F roof flashing, storm collar, and the TEMCO
8203D termination cap are required to complete the in-
stallation.
6. See BL-1 instructions for wiring procedures.
CAUTION: The structural integrity of the mobile home
floor, wall, ceiling, roof trusses and any other struc-
Figure 22
Figure 23
WARNING: Do not install a fireplace in a sleeping
room of a mobile home.
Figure 24
Mobile Home Installa-

Related product manuals