EasyManua.ls Logo

Temcoline T59 - Page 17

Default Icon
48 pages
Print Icon
To Next Page IconTo Next Page
To Next Page IconTo Next Page
To Previous Page IconTo Previous Page
To Previous Page IconTo Previous Page
Loading...
www.temcoline.com
DIGITAL PID CONTROLLER
16
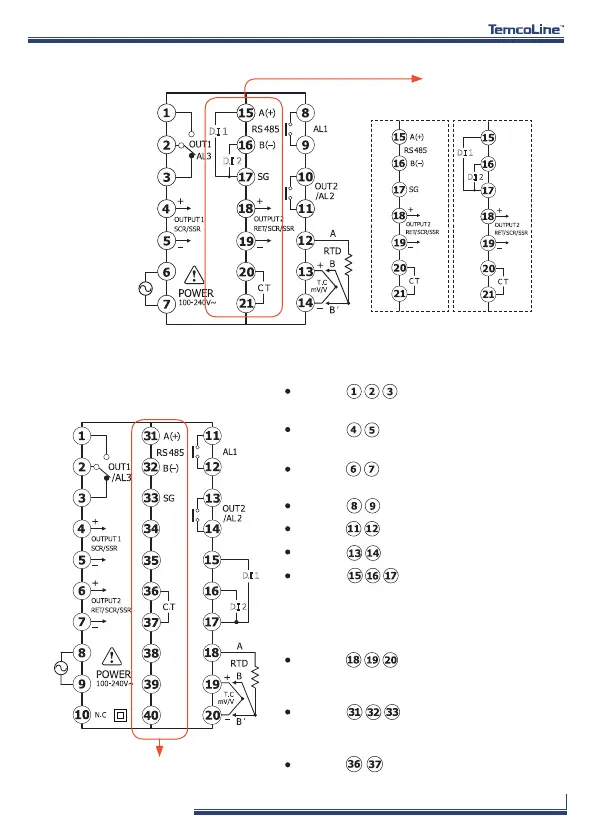
Terminal explanation (T59-S10 basis)
Terminal : OUT1 only for output
selection no. 0, 3 (Relay output) mode.
Terminal : OUT1 only for output.
selection no. 1, 2 (SSR, SCR output) mode.
Terminal : RET(Retransmission 4~20mA)
or for power of sensor SPS. (DC 15V)
Terminal : Power supply terminal.
Terminal : Alarm1 output terminal.
Terminal : Alarm2 output terminal.
Terminal : C.T(800:1) input terminals
for Heater break alarm.
Terminal : It is an external input (DI)
terminal. various functions can be set with
external switches according to DIS 1-5 (1: OFF,
2: SV 1-3, 3: run / stop 4: 4: auto / manual
5: alarm reset).
Terminal : The input sensor type is
changed according to the input setting number
with the univeral input terminal.
Terminal : RS-485 communication
terminals completely isolated, Modbus-ASCII,
Modbus-RTU, PC-Link, TL-Link basic.
D.I 1
D.I 2
D.I 1
D.I 2
OPTION
OPTION 1 (T59-C1X)
3) T57 (72x72 mm)
4) T59 (96x96 mm)
T57
T59
OPTION 1
(T57-C1X)
OPTION 2
(T57-C2X)
D.I 1
D.I 2
D.I 1
D.I 2

Related product manuals