EasyManua.ls Logo

Temp-Cool TC-18B - Wiring Schematic - TC-12 B

Temp-Cool TC-18B
22 pages
Print Icon
To Next Page IconTo Next Page
To Next Page IconTo Next Page
To Previous Page IconTo Previous Page
To Previous Page IconTo Previous Page
Loading...
Portable Cooling Systems
15
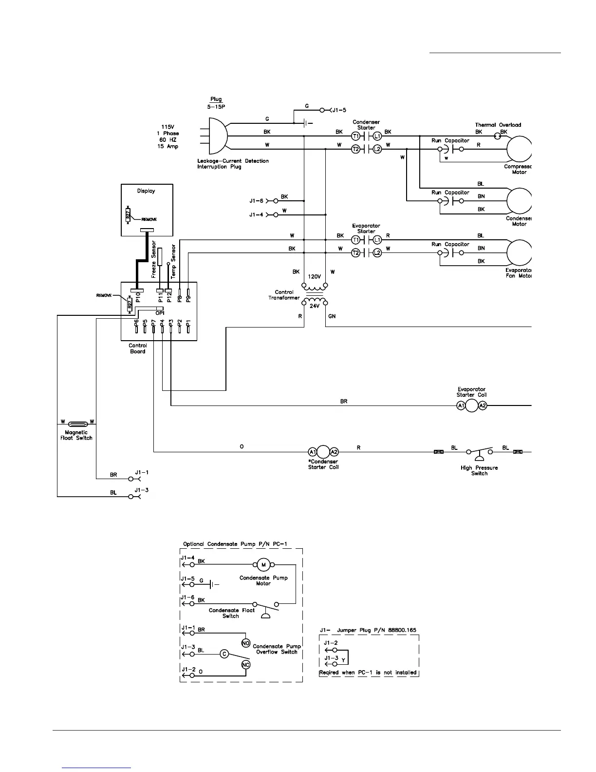
Wiring Schematic, TC-12B

Related product manuals