EasyManua.ls Logo

Temp-Heat THP-400A - THP-400 A Wiring Diagram; THP-400 A Component Identification

Default Icon
24 pages
Print Icon
To Next Page IconTo Next Page
To Next Page IconTo Next Page
To Previous Page IconTo Previous Page
To Previous Page IconTo Previous Page
Loading...
THP-400A, THP-500A and THP-550 Installation and Service Manual
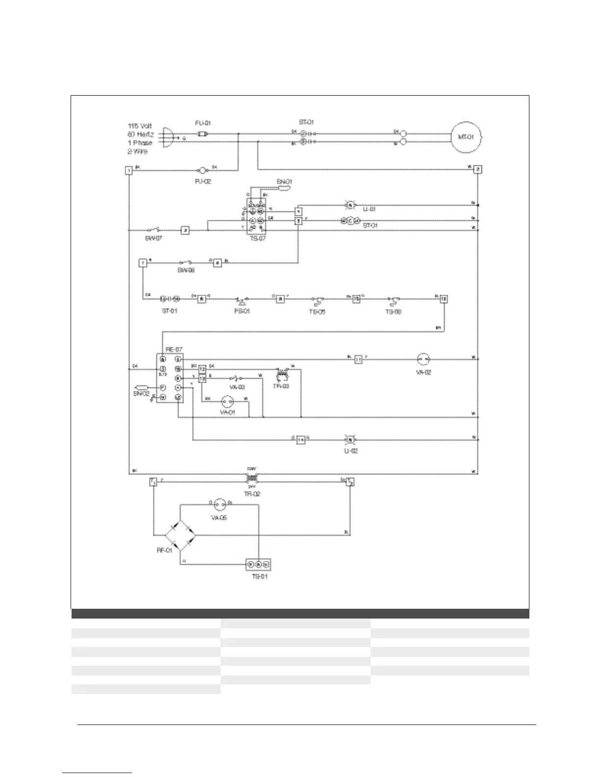
Component Identification
FU-01 main fuse SN-01 low-temperature sensor TS-04 high-temperature limit switch
FU-02 control fuse SN-02 flame rod TS-07 low-temperature limit switch
LI-01 low-temperature light ST-01 motor starter TS-11 room-override thermostat
LI-02 burner-reset light SW-06 burner switch VA-01 main-gas valve
MT-01 supply-blower motor SW-07 blower switch VA-02 2nd main-gas valve
PS-01 air flow switch TR-02 low-voltage transformer VA-03 pilot-gas valve
RE-07 flame-safety relay TR-03 ignition transformer VA-05 modulating gas valve
RF-01 rectifier TS-01 discharge-air sensor
Wiring — THP-400A

Related product manuals