EasyManua.ls Logo

Temp-Heat THP-400A - THP-550 Wiring Diagram; THP-550 Component Identification

Default Icon
24 pages
Print Icon
To Next Page IconTo Next Page
To Next Page IconTo Next Page
To Previous Page IconTo Previous Page
To Previous Page IconTo Previous Page
Loading...
THP-400A, THP-500A and THP-550 Installation and Service Manual
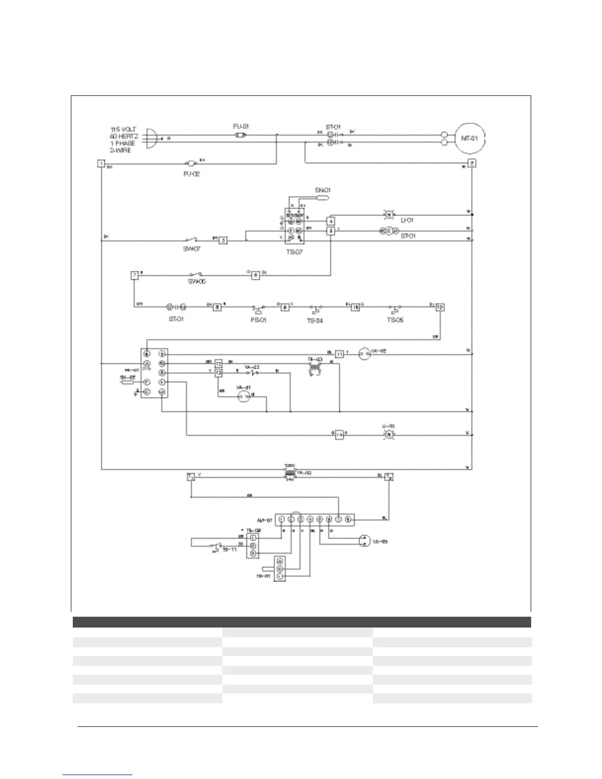
Component Identification
AM-01 amplifier SN-01 low-temperature sensor TS-05 cabinet high-temperature limit
FU-01 main fuse SN-02 flame rod TS-07 low-temperature limit switch
FU-02 control fuse ST-01 motor starter TS-08 remote-discharge temperature
LI-01 low-temperature light SW-06 burner switch TS-11 room-override thermostat
LI-02 burner reset light SW-07 blower switch VA-01 main-gas valve
MT-01 supply-blower motor TR-02 low-voltage transformer VA-02 2nd main-gas valve
PS-01 air flow switch TS-01 discharge-air sensor VA-03 pilot-gas valve
RE-07 flame-safety relay TS-04 high-temperature limit switch VA-05 modulating gas valve
Wiring—THP-550

Related product manuals