EasyManua.ls Logo

Ten-Tec JUPITER - Page 77

Ten-Tec JUPITER
92 pages
Print Icon
To Next Page IconTo Next Page
To Next Page IconTo Next Page
To Previous Page IconTo Previous Page
To Previous Page IconTo Previous Page
Loading...
С14
Сіз
10/25v
Di
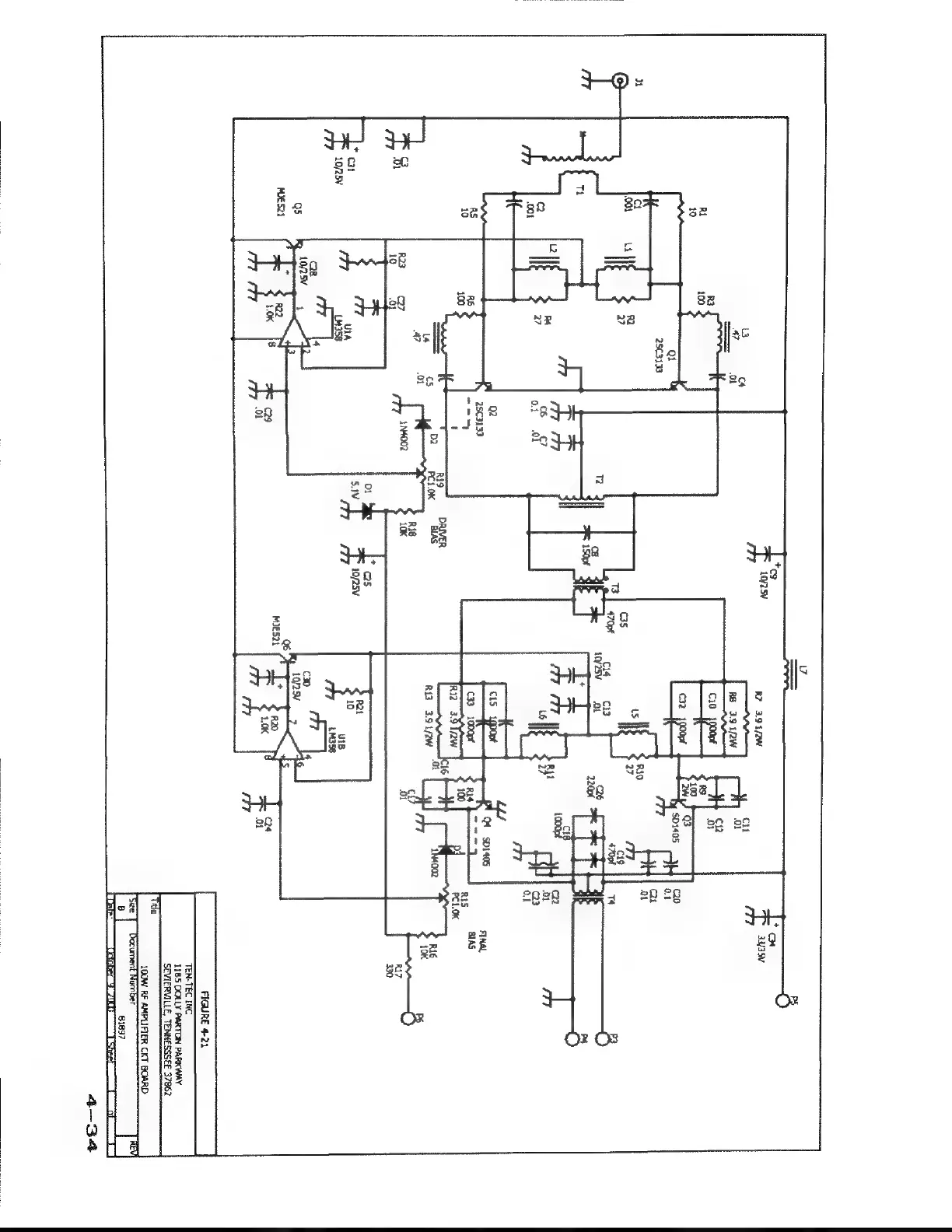
FIGURE
4-21
TEN-TEC
INC
1185
DOLLY
PARTON
PARKWAY
SEVIERVILLE,
TENNESSSEE
37862
е
109W
ВЕ
AMPLIFIER
СКТ
BOARD
R
ocument
Number
CU
81897
LIBE
06
У
ДЕ
15
57!

Related product manuals