EasyManua.ls Logo

Ten-Tec RX-340 - Page 134

Ten-Tec RX-340
174 pages
Print Icon
To Next Page IconTo Next Page
To Next Page IconTo Next Page
To Previous Page IconTo Previous Page
To Previous Page IconTo Previous Page
Loading...
10-30
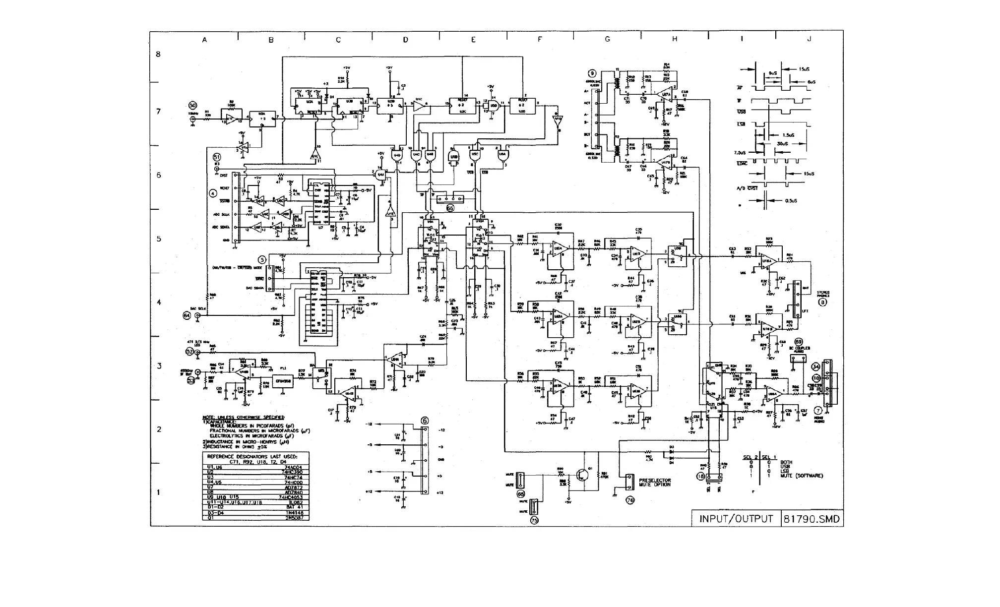
FIGURE 10-23 81790 SMD I/O CONVERTER SCHEMATIC

Related product manuals