EasyManua.ls Logo

Ten-Tec RX-340 - Page 149

Ten-Tec RX-340
174 pages
Print Icon
To Next Page IconTo Next Page
To Next Page IconTo Next Page
To Previous Page IconTo Previous Page
To Previous Page IconTo Previous Page
Loading...
10-45
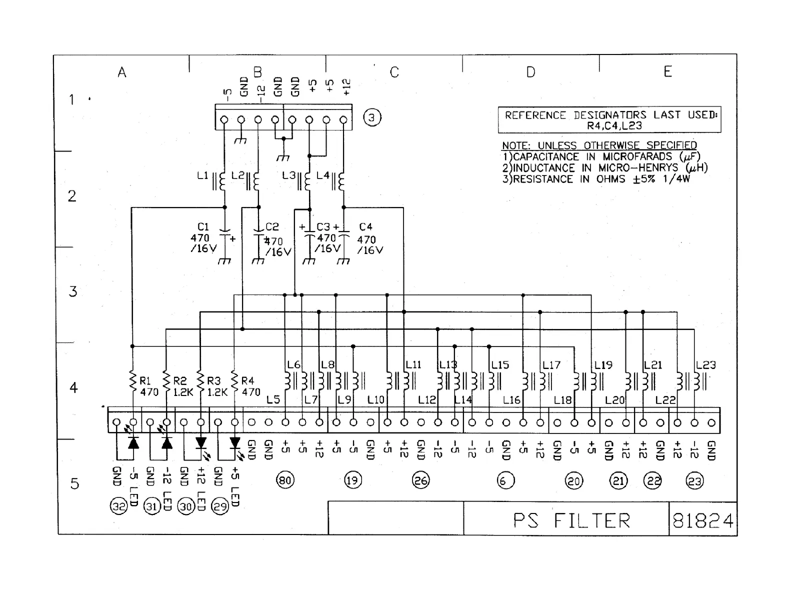
81824 POWER SUPPLY FILTER SCHEMATIC
FIGURE 10-33

Related product manuals