EasyManua.ls Logo

Ten-Tec RX-340 - Page 161

Ten-Tec RX-340
174 pages
Print Icon
To Next Page IconTo Next Page
To Next Page IconTo Next Page
To Previous Page IconTo Previous Page
To Previous Page IconTo Previous Page
Loading...
10-57
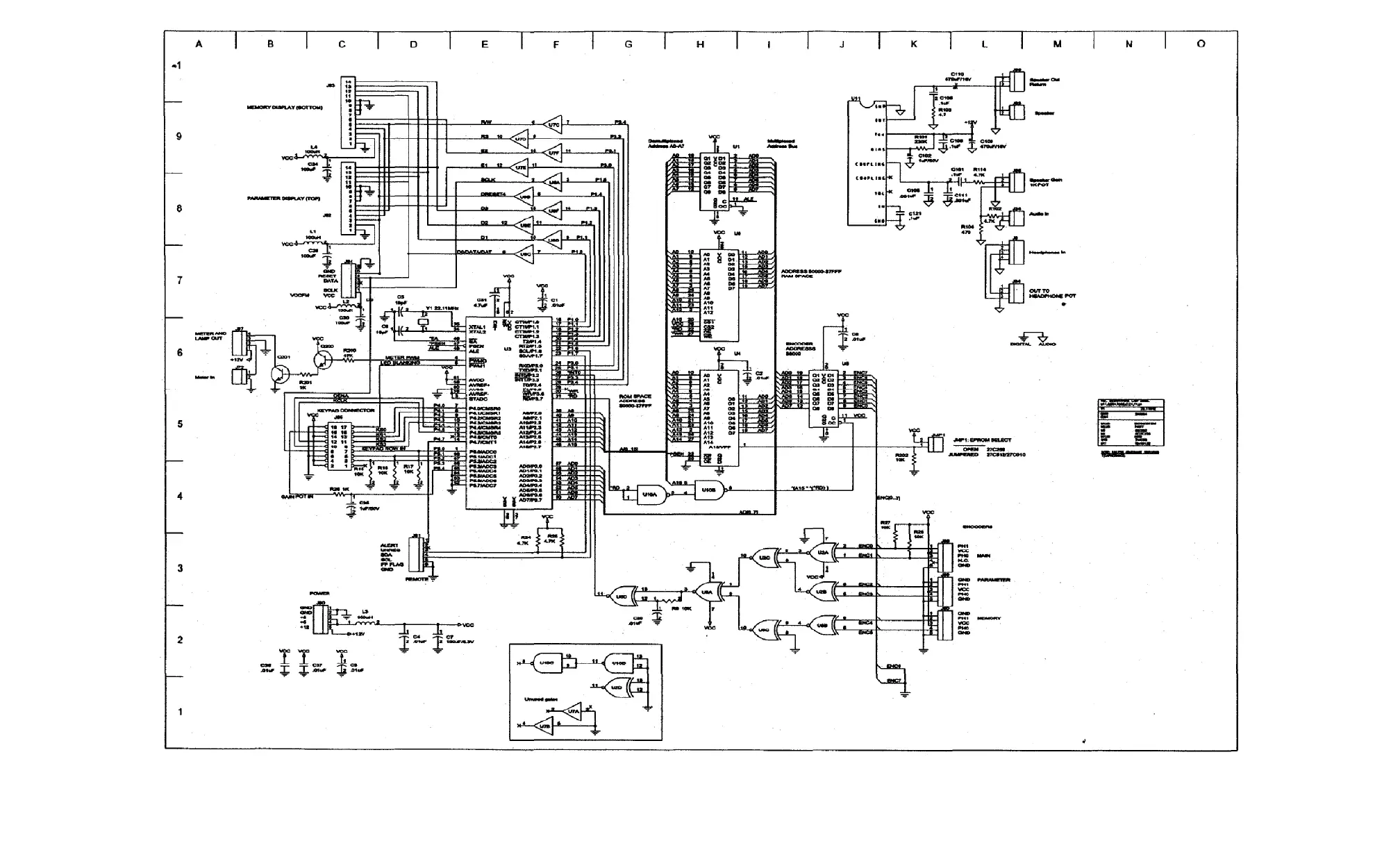
FIGURE 10-43 81819 FRONT PANEL CPU SCHEMATIC

Related product manuals